两节锂电池充电芯片,和保护IC的接法

2021-03-27 14:37:00
夸克微
原创
3174

1.两节锂电池的充电电路:可以分为三种方式。

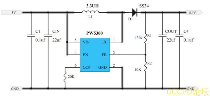
第一种,USB口的5V输入,使用一颗SOT23-6的升压IC,直接升压到8.4V.电流在1A以下。优点是成本最低,缺点是,没有锂电池充电控制逻辑,和锂电池指示灯。

由于最早期时,专门的双节充电芯片还很少不常见和难购买的问题,才很多迫不得已采用DC-DC升压来做,


第二种充电电路:

目前主流5V输入,专门升压充两节的锂电池充电芯片已经是很普遍了,如PL7501C,常见物料,升压+充电+指示灯,采购也方便,成本也低,也是都转用专门的两节锂电池充电管理芯片PL7501C。


第三种充电电路:

高压输入9V至20V范围的,降压型的充电电路。如PW4203,输入范围9V-20V,充电电流可达2A。MOS管8205A8TS, TSSOP8封装。可以多个MOS并联来达到和提高更大的过流保护值。



2.两节锂电池输出电路:

对于两节锂电池的输出来说,如果是DC-DC的话,就由1A-5A的多种选择了。

如果是LDO的话,就有两个,PW6218输入电压最大18V,PW6206输入电压最大40V,都是SOT23-3封装。


代理商:深圳市夸克微科技

 郑先生 :13528458039 

QQ 2867714804


发表评论
评论通过审核后显示。