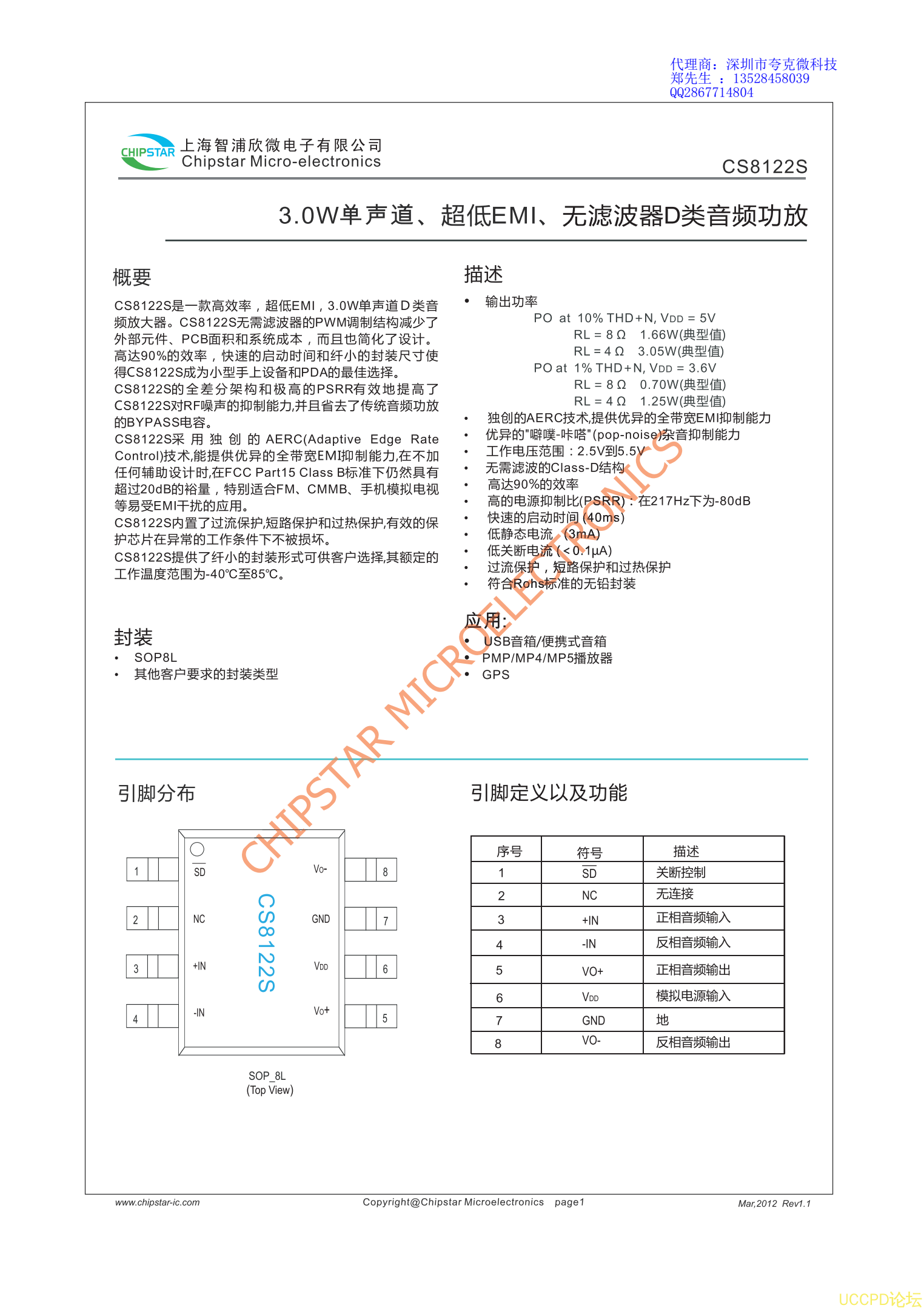
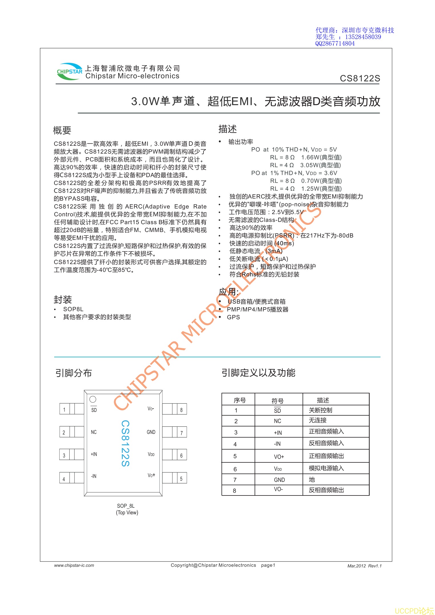
代理CS8122S芯片,技术支援,现货
- 2020-11-09 15:21:00
- 夸克微 原创
- 2837
发表评论



