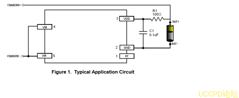
The XB5358 series product is a high integration solution for lithium- ion/polymer battery protection. XB5358 contains advanced power MOSFET, high-accuracy voltage detection circuits and delay circuits. XB5358 is put into an ultra-small SOT23-5 package and only one external component makes it an ideal solution in limited space of battery pack.
XB5358 has all the protection functions required in the battery application including overcharging, overdischarging, overcurrent and load short circuiting protection etc. The accurate overcharging detection voltage ensures safe and full utilization charging.
The low standby current drains little current from the cell while in storage.
The device is not only targeted for digital cellular phones, but also for any other Li-Ion and Li-Poly battery-powered information appliances requiring long- term battery life.
FEATURES
· Protection of Charger Reverse Connection
· Protection of Battery Cell Reverse Connection
· Integrate Advanced Power MOSFET with Equivalent of 45m Ω R SS(ON)
· Ultra-small SOT23-5 Package
· Only One External Capacitor Required
· Over-temperature Protection
· Overcharge Current Protection
· Two-step Overcurrent Detection:
-Overdischarge Current
-Load Short Circuiting
· Charger Detection Function
· 0V Battery Charging Function
- Delay Times are generated inside
· High-accuracy Voltage Detection
· Low Current Consumption
- Operation Mode: 2.8 μ A typ.
- Power-down Mode: 1.5 μ A typ.
· RoHS Compliant and Lead (Pb) Free
APPLICATIONS
One-Cell Lithium-ion Battery Pack
Lithium-Polymer Battery Pack
代理商:深圳市夸克微科技 郑先生 :13528458039 QQ 2867714804

