5V转2.8V降压芯片,极大电流,外围少
- 2020-11-17 11:32:00
- 夸克微 原创
- 3143
5V转 2.8V和 3.7V转 2.8V和 3V转 2.8V可根据电流来选用 1, LDO线性芯片, 2, DC-DC降压芯片
1, LDO线性芯片
一般我们都追求极简的外围电路和元器件的芯片,对于电流小的,不追求效率的, LDO芯片就是第一个选择了。
LDO芯片一般推荐用 PW6566即可。成本低,还要更多其他输出电压的选择。三极管的封装形式。如果输入电压需要更高时,则需要选择其他 LDO了。
2, DC-DC降压芯片
DC-DC降压芯片如果是
3V或者
3.7V输入的话,则不需要考虑以上的原因。在
5V输入时,有
2钟情况,如果是稳定的
5V供电电压则可以选择
PW2058,PW2051,PW2052,PW2053等等。
代理商:深圳市夸克微科技 郑先生 :13528458039 QQ 2867714804
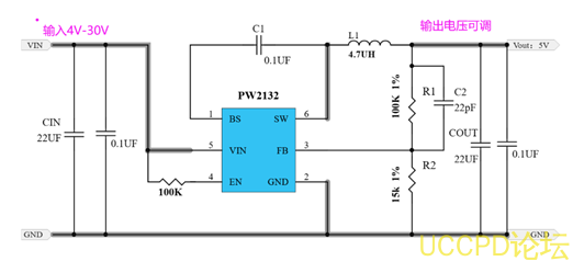
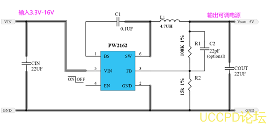
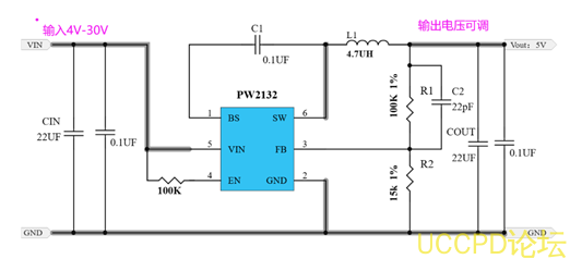
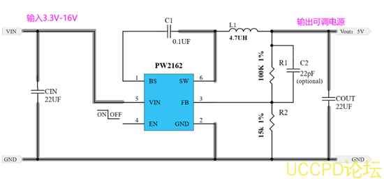
如果输入的 5V是不稳定的,会有瞬间的 6V, 7V等电压出现时,则需要把 7V最高电压纳算入输入电压范围了。需要选择 PW2162,PW2163,PW2203等。
PW2162是一颗 DC-DC同步降压转换器芯片,输入电压范围 4.5V-16V,最大可负载电流 2A,可调输出电压,频率 600kHZ高频率,可采用贴片电感,节省空间,采用 SOT23-6封装形式。
PW2312是一颗 DC-DC同步降压转换器芯片,输入电压范围 4V-30V,最大负载电流 1.2A,可调输出电压,频率 1.4MHZ高频率,可采用贴片电感,节省空间,采用 SOT23-6封装形式。






