3V转2.8V降压芯片,极大电流,外围少

2020-11-17 11:33:00
夸克微
原创
2925

  5V转2.8V和3.7V转2.8V和3V转2.8V可根据电流来选用 1,LDO线性芯片,2,DC-DC降压芯片

  1,  LDO线性芯片

一般我们都追求极简的外围电路和元器件的芯片,对于电流小的,不追求效率的,LDO芯片就是第一个选择了。

LDO芯片一般推荐用 PW6566 即可。成本低,还要更多其他输出电压的选择。三极管的封装形式。如果输入电压需要更高时,则需要选择其他 LDO 了。


2,DC-DC降压芯片

DC-DC降压芯片如果是3V或者3.7V输入的话,则不需要考虑以上的原因。在5V输入时,有2钟情况,如果是稳定的5V供电电压则可以选择PW2058,PW2051,PW2052,PW2053等等。
代理商:深圳市夸克微科技 郑先生 :13528458039 QQ 2867714804

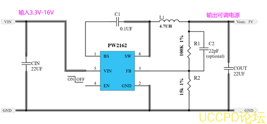
如果输入的5V是不稳定的,会有瞬间的6V,7V等电压出现时,则需要把7V最高电压纳算入输入电压范围了。需要选择PW2162,PW2163,PW2203等。

 

PW2162是一颗DC-DC同步降压转换器芯片,输入电压范围4.5V-16V,最大可负载电流2A,可调输出电压,频率600kHZ高频率,可采用贴片电感,节省空间,采用SOT23-6封装形式。

PW2312是一颗DC-DC同步降压转换器芯片,输入电压范围4V-30V,最大负载电流1.2A,可调输出电压,频率1.4MHZ高频率,可采用贴片电感,节省空间,采用SOT23-6封装形式。



发表评论
评论通过审核后显示。