9V转3V稳压芯片,极大电流,外围少
- 2020-11-17 11:48:00
- 夸克微 原创
- 2713
9V转 3V降压芯片, 9V转 3V降压芯片, 9V转 3V稳压芯片, 12V转 3V稳压芯片,
9V转 3V电源芯片, 12V转 3V输出的电源芯片
9V转 3V和 12V转 3V的典型应用电路:
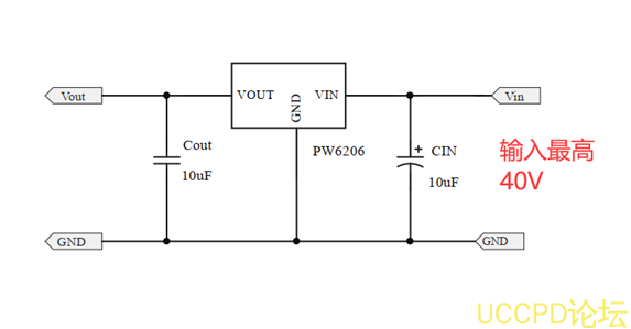
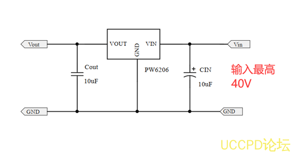
1, LDO稳压 IC
2, LDO产品 输入电压 输出电压 输出电流 静态功耗 封装
3, PW6566 1.8V~ 5.5V 1.2V~ 5V多 250mA 2uA SOT23-3
4, PW6218 4V~ 18V 3V,3.3V,5V 100MA 3uA Sot23-3
5, PW6206 4.5V~ 40V 3V,3.3V,5V 150MA 4.2uA Sot23/89
6,
PW8600 4.5V~
80V 3V,3.3V,5V 150MA 2uA Sot23-3
代理商:深圳市夸克微科技 郑先生 :13528458039 QQ 2867714804
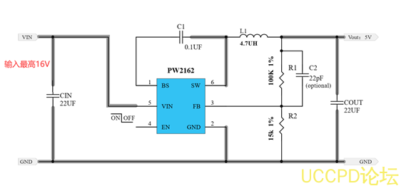
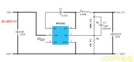
2,
DC-DC降压
IC
DC-DC的选择比较多:
1, PW2162 最大电流 2A
2, PW2162 最大电流 3A
3, PW2312 最大电流 1.2A
4, PW2205 最大电流 5A
5, PW2330,最大电流 3A等等


