5A,4.5V-30V输入,同步降压调节器,PW2205
- 2020-11-30 17:36:00
- 夸克微 原创
- 3479
一般说明
PW2205开发了一种高效率的同步降压
DC-DC转换器
5A输出电流。
PW2205在
4.5V到
30V的宽输入电压范围内工作集成主开关和同步开关,具有非常低的
RDS(
ON)以最小化传导
损失。
PW2205采用瞬时脉宽调制(
PWM)结构,实现高阶跃降的快速瞬态响应轻载时的应用和高效率。此外,它的工作频率是伪恒定的在连续导通模式下为
500kHz,以使电感器和电容器的尺寸最小
特征
内部整流
MOS的低
RDS(
on)(顶部
/底部):
70/40 mΩ
4.5V-30V输入电压范围
瞬时
PWM架构实现快速瞬态响应
外部软启动限制涌入电流
恒频:
500kHz at重载
5A连续,
6A峰值负载电流能力
1.5%0.6V参考电压
输出过电流限制
输出短路保护当前折回
热关机和自动恢复
符合
RoHS标准且无卤素
包装:
SOP8-EP
应用
液晶电视
大功率
AP路由器
网络
机顶盒
笔记本
保管部
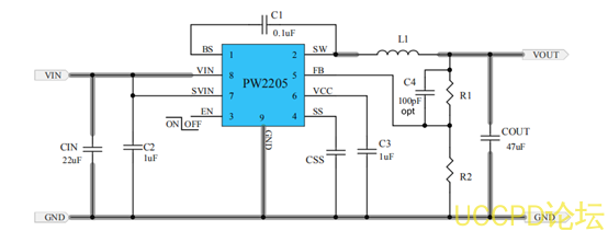
典型应用电路
引脚分配
/
说明
|
DC-DC 降压产品 |
输入电压 |
输出电压 |
输出电流 |
频率 |
封装 |
|
PW2058 |
2.0V ~ 6.0V |
1V ~ 5V |
0.8A |
1.5MHz |
SOT23-5 |
|
PW2051 |
2.5V ~ 5.5V |
1V ~ 5V |
1.5A |
1.5MHz |
SOT23-5 |
|
PW2052 |
2.5V ~ 5.5V |
1V ~ 5V |
2.0A |
1.0 MHz |
SOT23-5 |
|
PW2053 |
2.5V ~ 5.5V |
1V ~ 5V |
3.0A |
1.0 MHz |
SOT23-5 |
|
PW2162 |
4.5V ~ 16V |
1V ~ 15V |
2A |
600KHZ |
SOT23-6 |
|
PW2163 |
4.5V ~ 16V |
1V ~ 15V |
3A |
600KHZ |
SOT23-6 |
|
PW2205 |
4.5V ~ 30V |
1V ~ 25V |
5A |
500KHZ |
SOP8-EP |
|
PW2312 |
4.0V ~ 30V |
1V ~ 28V |
1.2A |
1.4 MHz |
SOT23-6 |
|
DC-DC 降压产品 |
输入电压 |
输出电压 |
输出电流 |
频率 |
封装 |
|
PW2330 |
4.5V ~ 30V |
1V ~ 28V |
3A |
500KHz |
SOP8-EP |
|
PW2431 |
4.5V ~ 40V |
1V ~ 30V |
3A |
340KHz |
SOP8-EP |
|
PW2558 |
4.5V ~ 55V |
1.25V ~ 30V |
0.8A |
1.2 MHz |
SOT23-6 |
|
PW2608 |
5.5V ~ 60V |
1.5-30V |
0.8A |
0.3-1Mhz |
SOP8-EP |
|
PW2815 |
4.5V ~ 80V |
1.5V ~ 30V |
1.5A |
400KHZ |
SOP8-EP |
|
PW2906 |
12V ~ 90V |
1.25V ~ 20V |
0.6A |
150KHZ |
SOP8-EP |
|
PW2902 |
8V ~ 90V |
5V ~ 30V |
2A |
140KHZ |
SOP8-EP |
|
PW2153 |
8V ~ 140V |
5V ~ 30V |
4A |
140KHZ |
SOP8 |
|
。。。 |
|||||
|
LDO 产品 |
输入电压 |
输出电压 |
输出电流 |
静态功耗 |
封装 |
|
PW6566 |
1.8V ~ 5.5V |
1.2V1.5V,1.8V,2.0V,2.5, .2.8V,3.0V,3.3V,5V |
250mA |
2uA |
SOT23-3 |
|
PW6218 |
4V ~ 18V |
3V,3.3V,5V |
100MA |
3uA |
Sot23-3 |
|
PW6206 |
4.5V ~ 40V |
3V,3.3V,5V |
150MA |
4.2uA |
Sot23/89 |
|
PW8600 |
4.5V ~ 80V |
3V,3.3V,5V |
150MA |
2 uA |
Sot23-3 |
布局设计:
PW2205调节器的布置设计为相对简单。为了获得最佳的效率和最小噪声问题,我们应该把
IC的以下成分: CIN, C3 L1, R1和 R2。
1. 希望 PCB铜最大化连接到 GND引脚以实现最佳的热性能和噪音性能。如果板空间允许,地平面高度令人满意。
2. CIN必须接近 VIN和 GND引脚。这个 CIN和 GND形成的环路面积必须最小化。
3. 与 SW引脚相关联的 PCB铜区必须最小化以避免潜在的噪音问题。
4. 成分 R1和 R2,以及轨迹连接到 FB引脚不得在 PCB布局上靠近 SW网络避免噪音问题。
5. 如果系统芯片与 EN引脚接口在关机时有高阻抗状态模式和 IN引脚直接连接到像锂离子电池这样的电源需要增加一个下拉式 1欧姆电阻器在 EN和 GND引脚之间,以防止错误开启调节器时发出的噪音关机模式。
电气特性
(VIN = 12V, VOUT = 5V, COUT = 47uF, TA = 25°C, IOUT = 1A 除非另有说明.)
|
UVLO 滞后 |
V HYS |
|
|
0.2 |
|
V |
|
顶部 FET 内阻 |
R DS(ON )1 |
|
|
70 |
|
m Ω |
|
底部 FET 内阻 |
R DS(ON)2 |
|
|
40 |
|
m Ω |
|
底部 FET 电流限制 |
I LIM |
|
5 |
|
|
A |
|
静态电流 |
I Q |
I OUT =0 , V FB =V REF *105% |
|
200 |
|
µA |
|
静态电流 |
I SHDN |
EN=0 |
|
5 |
10 |
µA |
|
振荡器频率 |
F osc |
I OUT =200mA |
|
0.5 |
|
MHz |
|
内部 LDO 输出 |
V vcc |
V IN =4V |
3.2 |
3.3 |
3.4 |
V |
|
热关闭温度 |
T SD |
|
|
160 |
|
°C |
|
热关闭滞后 |
T SD,HYS |
|
|
20 |
|
°C |
|
最短打开时间 |
|
|
|
80 |
|
ns |
|
最短关闭时间 |
|
|
|
120 |
|
ns |
概述
PW2205是一款集成了 PWM控制的同步降压调节器集成电路在同一个芯片上进行开关,以使开关转换损耗和传导损耗最小化。带着 ultra低 Rds( on)功率开关和专有的 PWM控制,这种调节器 IC可以达到最高效率和最高开关频率同时最小化外部电感和电容器尺寸,从而实现最小的解决方案占地面积。 PW2205提供保护循环限流和热关机保护等功能。 PW2205将感应故障保护的输出电压条件。
应用信息
由于 PW2205集成电路的高集成度,基于该调节器的应用电路 IC相当简单。只有输入电容 CIN,输出电容 COUT,输出电感 L和反馈电阻器( R1和 R2)需要为目标应用规范选择。
反馈电阻分压器 R1 和 R2
选择 R1和 R2编程正确的输出电压。使功率最小化轻负荷下的消耗, R1和 R2的电阻值宜选择较大。强烈建议两个电阻器的值在 10kΩ和 1MΩ之间。如果电压为 3.3V,取 R1=100k,用下式计算 R2为 22.1k:
输入电容 CIN :
通过输入电容器的纹波电流计算如下:
为了减少潜在的噪音问题,放置一个典型的X5R或更高等级的陶瓷电容器非常接近VIN和GND引脚。应注意尽量减少回路面积由CIN和VIN/GND引脚组成。在这种情况下,建议使用10uF低ESR陶瓷电容器。
内部模拟电路由 SVIN供电。为了避免噪音问题, 1uF陶瓷建议使用 SVIN与 GND紧密连接的电容器。也可以添加 RC过滤器从电源输入到 SVIN。
输出电容器:
选择输出电容器来处理输出纹波噪声要求。两者都很稳定在选择这一点时,必须考虑状态波动和瞬态要求电容器。为了获得最佳性能,建议使用 X5R或更高等级的陶瓷电容器大于 47uF电容。
输出电感器 L :
在选择这个电感器时有几个考虑因素。
1) 选择电感以提供所需的纹波电流。建议选择纹波电流约为最大输出电流的 40%。计算了电感作为:
其中 Fsw是开关频率, IOUT是最大负载电流。 PW2205调节器集成电路对不同的纹波电流幅值具有很强的耐受性。因此,最终选择的电感值可以稍微偏离计算值而不显著影响性能。
2) 电感器的饱和电流额定值必须选择大于峰值满负荷条件下的电感器电流。
3) 电感器的 DCR和开关频率下的铁心损耗必须足够低达到预期的效率要求。最好选择带有 DCR<10mΩ,整体效率高。
软启动
将电容器从软启动编程引脚接地,以编程软启动时间。启用操作
<1.2V拉低引脚将关闭设备。在停机模式下, PW2205关断电流降至 5uA以下。驱动 EN引脚高电平( >1.3V)将打开 IC再一次。
外部自举电容器
该电容器为内部高压侧 MOSEFET提供栅极驱动电压。 100nF低建议在 BS引脚和 SW引脚之间连接 ESR陶瓷电容器。
VCC LDO
3.3V内部基准。该引脚应通过 luf












