5V 输入,三节串联锂电池便捷充电器PW4053
- 2020-12-01 10:56:00
- 夸克微 原创
- 2940
PW4053 是一款 5V 输入,最大 1.2A 充电电流,支持三节锂离子电池的升压充电管理 IC。
PW4053 集成功率 MOS,采用异步开关架构,使其在应用时仅需极少的外围器件,可有效减少整体方案尺寸,降低 BOM 成本。 PW4053 的升压开关充电转换器的工作频率为 500KHz,转换效率为90%。
PW4053 输入电压为 5V,内置自适应环路,可智能调节充电电流大小,防止拉垮适配器输出,可匹配所有适配器。
PW4053 提供 SOP8-EP 封装形式, 工作温度额定范围为-40℃至 85℃。
产品特点
⚫ USB 5V 输入异步开关升压充电
⚫ 工作电压 3.5~ 6V,芯片耐压 18V,内部集成高压晶体管
⚫ 最大 1.2A 充电电流,外部电阻可调
⚫ NTC 功能
⚫ 升压充电效率 90%
⚫ 自动调节输入电流,匹配所有适配器
⚫ 支持 LED 充电状态指示
⚫ 内置功率 MOS
⚫ 500KH 开关频率
⚫ 输出过压,短路保护
⚫ 输入欠压,过压保护
⚫ IC 过温保护
⚫ ESD 4KV
代理商:深圳市夸克微科技 郑先生 :13528458039 QQ 2867714804
应用范围⚫ 锂电电池包
⚫ 对讲机
⚫ 玩具
⚫ 蓝牙音箱
⚫ POS 机
⚫ 电子烟
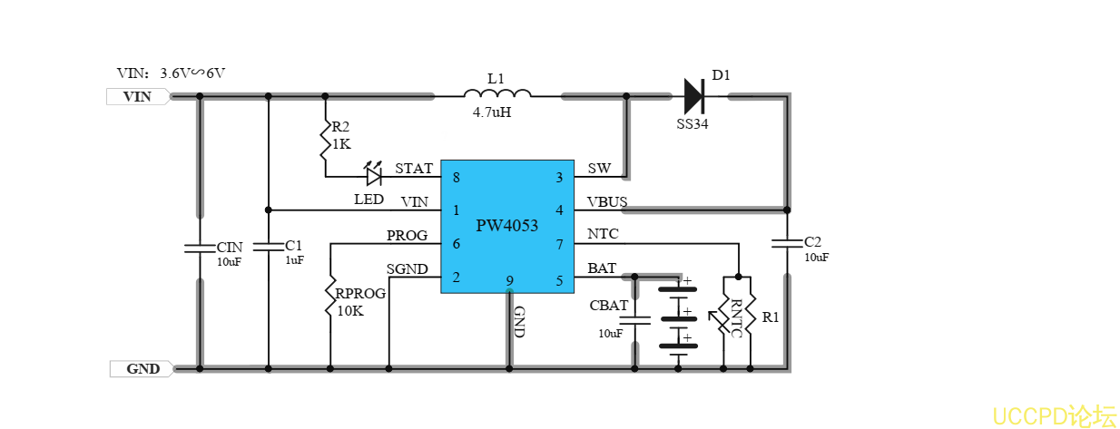
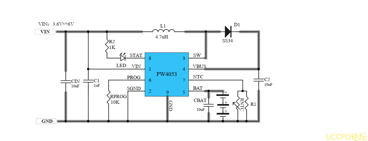
典型应用电路
引脚配置
/
说明
发表评论

