干电池升压芯片
- 2020-12-08 14:08:00
- 夸克微 原创
- 3811
1, 干电池升压 IC 升压输出 3V,3,3V,5V等 3V-5V可调
2, 单节锂电池升压 IC 升压输出 4.2V-15V可调
3, 单节锂电池充电 IC 输入 4.5V-20V,充电电流 3MA-3000mA
4, 单节锂电池保护 IC 保护板
5, 双节锂电池升压 IC 升压输出 6V-20V
6, 双节锂电池充电 IC 输入 4.5V-20V,充电电流 2000mA
7, 双节锂电池降压 IC 降压输出 1V-6V可调
8, 双节锂电池保护 IC 保护板
9, 三节锂电池升压 IC 升压 13-30V
10,三节锂电池充电 IC 输入 4.5V-20V,充电电流 2000Ma
11,三节锂电池降压 IC 降压输出 1.2V-9V
12,三节锂电池保护 IC 保护板
1,干电池升压IC:
PW5100 是一款低静态电流、高效率、 PFM 模式控制的同步升压变换器。 PW5100 所需的外部元件非常少,只需要一个电感和输入、输出电容就可以提供 3.0V~5.0V 的稳定的低噪声输出电压。 芯片内部包括输出电压反馈和修正网络、纹波补偿电路、启动电路、振荡电路、参考电压电路、 PFM 控制电路、过流保护电路、同步管控制以及功率管等。
产品特点
最大效率可达:
95%
最高工作频率:
1.2MHz
宽输入电压范围:
0.7V~
5.0V
输入静态电流:
10uA
输出电压固定可选:
3.0V,
3.3V,
5.0V
输出电压精度:
±2.5%
低纹波
,低噪声:
±10mV@Io=50mA
输入开关电流:
1.5A
2,单节的锂电池保护电路:
u 即锂电池保护板,有的锂电池厂家出厂就自带了保护板了(大部分是默认没带保护板),有的锂电池没,就需要锂电池保护IC了。常用锂电池保护IC如:
u DW01B, 特点:外置MOS(8205A6或者8205A8),由于是外置MOS,过充电电流和过放电电流可通过 很 多 个 MOS 并联来提高,这是最常见的,采用SOT23-6封装。
u PW3130,特点:内置MOS,电路简单, 过充电电流和过放电电流是3A,适合功率不大电子产品,采用SOT23-5封装。
u PW3133A,特点:内置MOS,电路简单,在PW3130的基础上再简洁了芯片体积,采用SOT23-3封装。
代理商:深圳市夸克微科技 郑先生 :13528458039 QQ 2867714804
PW3130和PW3133A是相当于内置了DW01B和一个3.5A过流的开关MOS。
3,单节锂电池充电电路:
3-1,PW4054,特点:500MA充电电流,5V USB输入最常用的锂电池充电IC,采用SOT23-5封装;
3-2,PW4056,特点:1A充电电流, 5V USB输入也是属于常用的锂电池充电IC,采用SOP8封装;
3-3,PW4203,特点:5V,9V,12V,15V,20V兼容高低压输入的锂电池充电IC,采用SOP8封装。
3-4,PW4065,特点:500MA充电电流,5V USB输入反接保护,电池反接保护,采用SOT23-5封装; PIN对PIN PW4054
3-4,PW4052,特点:2500MA充电电流,5V USB输入也是属于常用的锂电池充电IC,采用SOP8封装;
4,锂电池输出电路
4-1 ,锂电池自身供电电压是3V-4.2V之间,锂电池直接供电,电路就是直接接供电。
4-2,锂电池升压输出电路:
l PW5100,锂电池升压5V输出,输出电流在600MA,外围最简单;
l PW5300,锂电池升压4.5V~10V,输出功率6W(6W/电压=电流)
l PW5328B,锂电池升压4.5V ~20V。(注:型号众多,不能一一列举)
l PW2224,锂电池升降压3.3V(可调输出),输出电流2A。升降压电路的;
l PW5600,锂电池升压5V,9V,12V,输出电路,3A,2A,1.5A的
l PW5400,锂电池升压5V2A(可调输出)的输出电路。
4-3,锂电池降压输出电路:
l PW6566,LDO,输出3V,2.8V,2.5V,1.8V,1.5V,1.2V,电流最大250MA。
l PW2058,DC-DC降压,电流最大0.8A
l PW2051,DC-DC降压,电流最大1A
l PW2052,DC-DC降压,电流最大2A
PW2053,DC-DC降压,电流最大3A (注:型号众多,需要其他功能,请联系我们)4-4 单节锂电池保护电路 + 锂电池充电电路 + 锂电池输出电路原理图:
5 两节锂电池保护电路
5-1 , HY2120,两节锂电池保护电路,
5-2, PL7022,两节锂电池保护电路。
6 两节锂电池充电电路
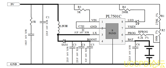
6-1, PL7501C,输入 5V,升压给两节锂电池充电, 1A最大;
6-2, PW4203,输入 9V-20V,降压给两节锂电池充电, 2A最大。
7 两节锂电池输出电路
7-1, PW2312,两节锂电池降压稳压到 1.2V,3.3V,5V,6V等,最大 1A
7-2, PW2162,两节锂电池降压稳压到 1.2V,3.3V,5V,6V等,最大 2A
7-3, PW2163,两节锂电池降压稳压到 1.2V,3.3V,5V,6V等,最大 3A
7-4, PW2205,两节锂电池降压稳压到 1.2V,3.3V,5V,6V等,最大 5A
7-5, PW6218,两节锂电池降压 3V, 3.3V, 5V的 LDO芯片,输入最大 18V
7-6, PW6206,两节锂电池降压 3V, 3.3V, 5V的 LDO芯片,输入最大 40V
7-7, PW5328B,两节锂电池升压到 9V,12V,15V等,输出功率 8W左右
7-8, PW5600,两节锂电池升压到 9V,12V,15V,输出电流 2-3A
8 ,三节锂电池保护电路
8-1 , S-8254
8-2 , CW1233
9 ,三节锂电池充电电路
9-1, PW4053,输入 5V,升压给三节锂电池充电,最大 1.2A;
9-2,
PW4203,输入
15V-20V,降压给三节锂电池充电,最大
2A。
10 ,三节锂电池输出电路
10-1, PW6206, LDO芯片,输入最大到 40V,输出 3V,3.3V,5V
10-2, PW6218, LDO芯片,输入最大到 18V,输出 3V,3.3V,5V
10-3, PW2162,两节锂电池降压稳压到 1.2V,3.3V,5V,6V,9V等,最大 2A
10-4, PW2163,两节锂电池降压稳压到 1.2V,3.3V,5V,6V,9V等,最大 3A
10-5, PW2205,两节锂电池降压稳压到 1.2V,3.3V,5V,6V,9V等,最大 5A
10-6, PW5600,两节锂电池升压到 15V,输出电流 2-3A
























