两节锂电池充电芯片,和保护IC的接法
- 2020-12-12 09:48:00
- 夸克微 原创
- 3219
1.两节锂电池的充电电路:可以分为三种方式。
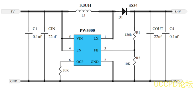
第一种, USB口的 5V输入,使用一颗 SOT23-6的升压 IC,直接升压到 8.4V.电流在 1A以下。优点是成本最低,缺点是,没有锂电池充电控制逻辑,和锂电池指示灯。
由于最早期时,专门的双节充电芯片还很少不常见和难购买的问题,才很多迫不得已采用 DC-DC升压来做,
第二种充电电路:
目前主流 5V输入,专门升压充两节的锂电池充电芯片已经是很普遍了,如 PL7501C,常见物料,升压 +充电 +指示灯,采购也方便,成本也低,也是都转用专门的两节锂电池充电管理芯片 PL7501C。代理商:深圳市夸克微科技
郑先生 :13528458039
QQ 2867714804
第三种充电电路:
高压输入 9V至 20V范围的,降压型的充电电路。如 PW4203,输入范围 9V-20V,充电电流可达 2A。 MOS管 8205A8TS, TSSOP8封装。可以多个 MOS并联来达到和提高更大的过流保护值。
2.两节锂电池输出电路:
对于两节锂电池的输出来说,如果是 DC-DC的话,就由 1A-5A的多种选择了。
如果是 LDO的话,就有两个, PW6218输入电压最大 18V, PW6206输入电压最大 40V,都是 SOT23-3封装。





