24V转3.3V稳压芯片,输入电压4.75V~40V,LDO线性稳压器PW6206
- 2021-01-03 16:29:00
- 夸克微 原创
- 3523
24V转20V,24V转15V,24V转12V,24V转9V,24V转5V,24V转3.3V,24V转3V,24V转1.8V,24V转1.2V.
24V转3.3V降压芯片,24
V转3.3
V稳压芯片,24V转3.3V降压芯片,24
V转3.3
V稳压芯片,24V转3.3V降压芯片,24
V转3.3
V稳压芯片,24V转3.3V降压芯片,24
V转3.3
V稳压芯片,24V转3.3V降压芯片,24v转3.3v稳压芯片,24V转3.3V降压芯片,24v转3.3v稳压芯片,24V转3.3V降压芯片,24v转3.3v稳压芯片,24V转3.3V降压芯片,24v转3.3v稳压芯片,24V转3.3V降压芯片,24v转3.3v稳压芯片,24V转3.3V降压芯片,24v转3.3v稳压芯片,24V转3.3V降压芯片,24v转3.3v稳压芯片,
24V转3.3V降压芯片,24v转3.3v稳压芯片,可以用PW2312,PW6206,PW2330这3个型号。
一般说明
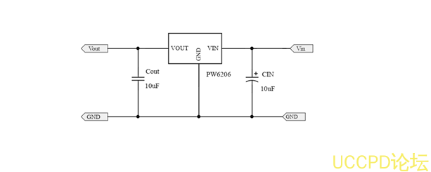
PW6206系列是一款高精度,高输入电压,低静态电流,高速,低压降线性稳压器具有高纹波抑制。在VOUT=5V&VIN=7V时,输入电压高达40V,负载电流高达300mA,采用BCD工艺制造。PW6206提供过电流限制、软启动和过热保护,以确保设备在良好的条件下工作
PW6206调节器有标准SOT89-3L和SOT23-3L封装。标准产品无铅无卤。
特点
l 输入电压:4.75V~40V
l 输出电压:1.8V~5.7V
l 输出精度:<±2%
l 输出电流:150mA(典型值)
l 最高300mA@VIN=7V,VOUT=5V,PW6206B50HV封装
l 电源抑制比:60dB@100Hz
l 跌落电压:600mV@IOUT=100mA
l 静态电流:4.2μA@VIN=12V(典型值)
l ESD HBM:8KV
l 推荐电容器:10uF
应用
l 智能电表
l 车内娱乐
l 电动自行车
代理商:深圳市夸克微科技 郑先生 :13528458039 QQ 2867714804

