代理PW4054芯片,性能优异的单节锂离子电池恒流,现货,技术支援
- 2021-01-25 10:25:00
- 夸克微 原创
- 2712
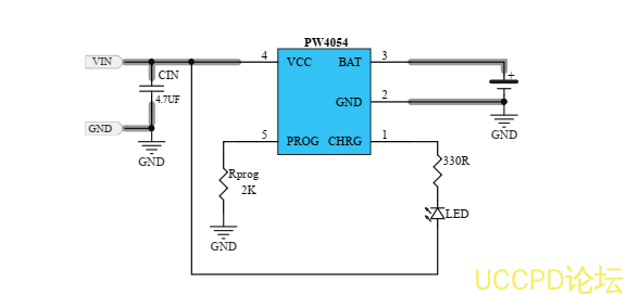
PW4054是一款性能优异的单节锂离子电池恒流/恒压线性充电器。PW4054 适合给 USB 电源以及适配器电源供电。基于特殊的内部 MOSFET 架构以及防倒充电路, PW4054 不需要外接检测电阻和隔离二极管。当外部环境温度过高或者在大功率应用时,热反馈可以调节充电电流以降低芯片温度。充电电压固定在 4.2V,而充电电流则可以通过一个电阻器进行外部设置。当充电电流在达到最终浮充电压之后降至设定值的 1/10,芯片将终止充电循环。当输入电压断开时, PW4054 进入睡眠状态,电池漏电流将降到 1uA 以下。 PW4054 还可以被设置于停机模式,此时芯片静态电流降至 25uA。PW4054 还包括其他特性:欠压锁定,自动再充电和充电状态标志。
PW4054 采用 SOT23-5L 封装配合较少的外围原件使其非常适用于便携式产品.
产品特点
可编程充电电流 500mA
无需外接 MOSFET,检测电阻以及隔离二极管
恒定电流/恒定电压操作,并具有可在无过热危险的情况下实现充电速率最大化的热调节功能。
精度达到±1%的 4.2V 预充电电压
用于电池电量检测的充电电流监控器输出
自动再充电
充电状态输出显示
C/10 充电终止
待机模式下的静态电流为 25uA
2.9V 涓流充电
软启动限制浪涌电流
人体模型 ESD:4KV
机器模型 ESD:400V
Latch-up 级别:400MA
应用范围
移动电话、 PDA
MP3、 MP4 播放器
充电器
数码相机
电子词典
蓝牙、 GPS 导航仪
便携式设备
代理商:深圳市夸克微科技 郑先生 :13528458039 QQ 2867714804
发表评论
