LTH7B充电芯片规格书PDF
- 2020-09-04 12:47:00
- 夸克微 原创
- 7344
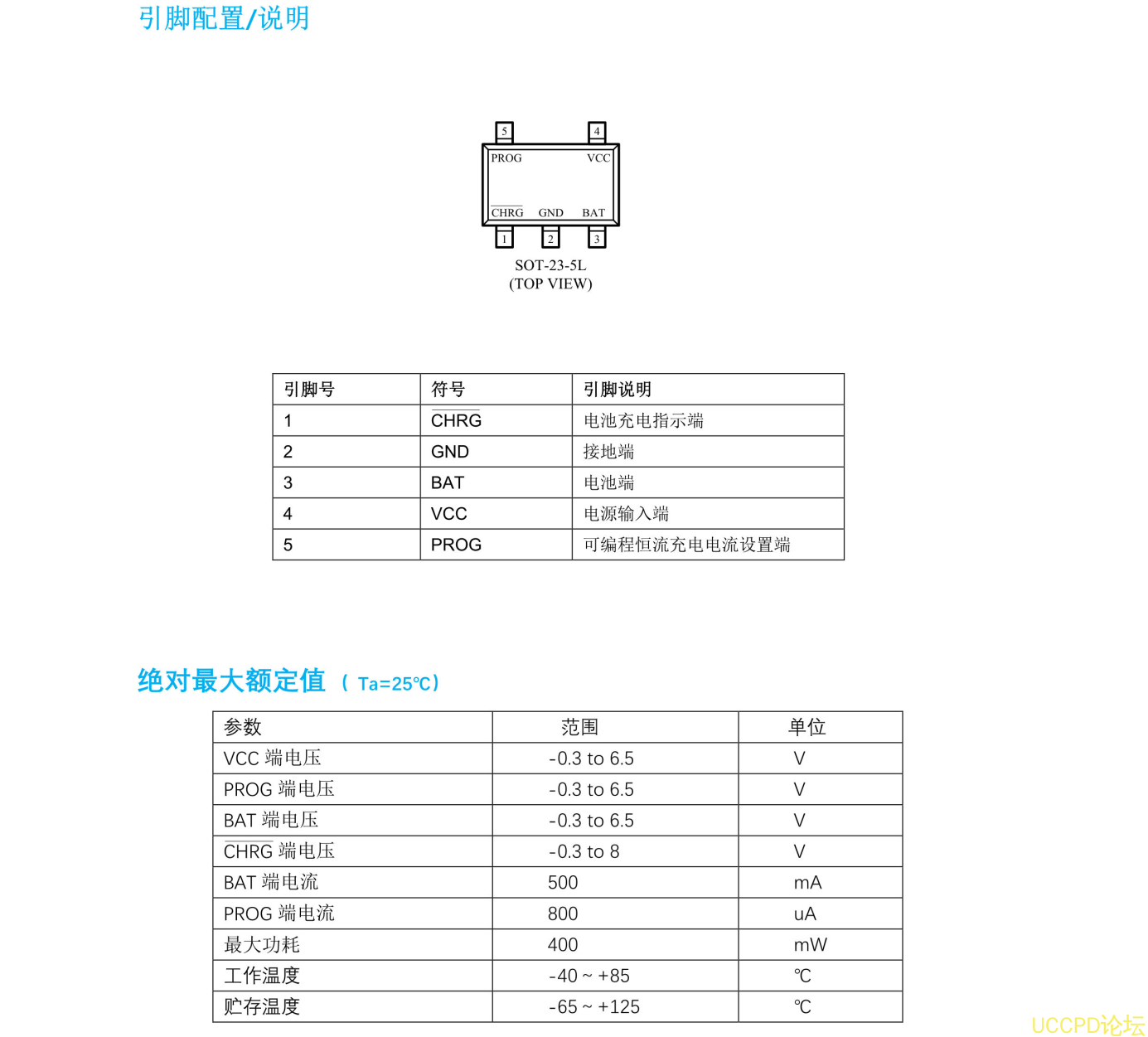
LTH7B是一款性能优异的单节锂离子电池恒流 /恒压线性充电器。 LTH7B 适合给 USB电源以及适配器电源供电。基于特殊的内部 MOSFET架构以及防倒充电路, LTH7B 不需要外接检测电阻和隔离二极管。当外部环境温度过高或者在大功率应用时,热反馈可以调节充电电流以降低芯片温度。充电电压固定在 4.2V,而充电电流则可以通过一个电阻器进行外部设置.
- PW4054.pdf 2960 MD5
发表评论


