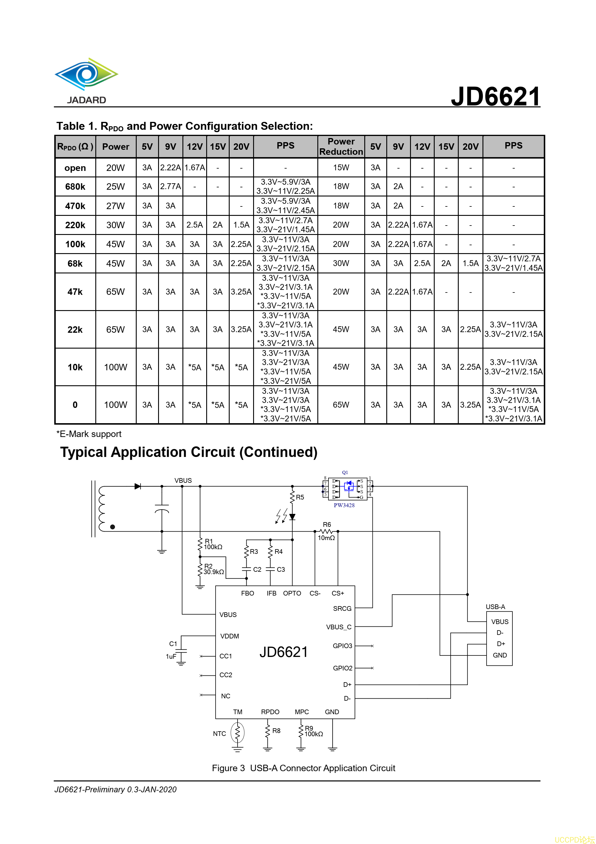
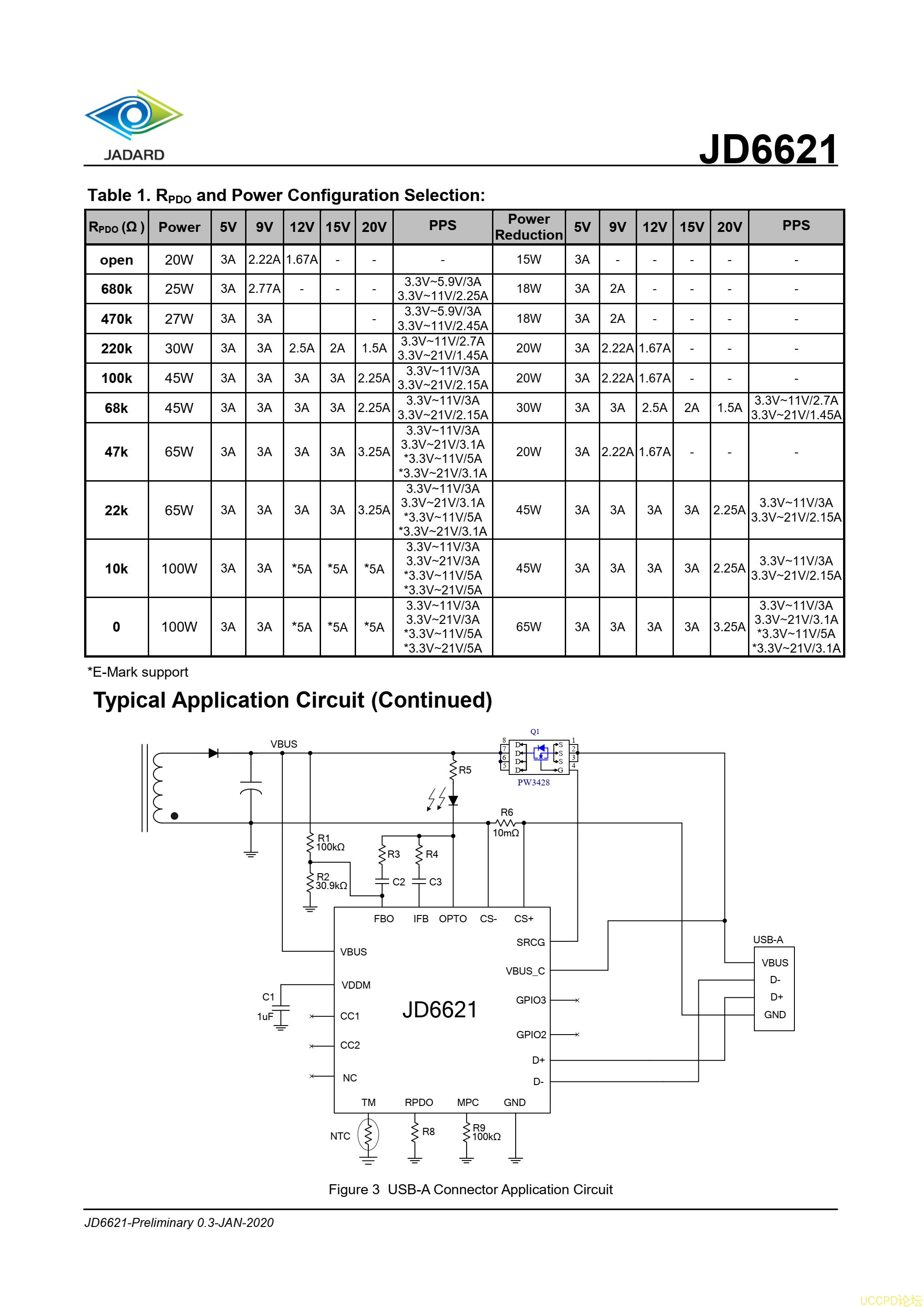
JD6621 PDF资料
- 2021-03-10 22:46:00
- 技术管理员 原创
- 3909
发表评论



