单节锂电池充电管理芯片,IC电路图
单节锂电池充电管理芯片,IC电路图
单节锂电池充电管理芯片,IC电路图
单节锂电池充电管理芯片,IC电路图
单节锂电池充电管理芯片,IC电路图
单节锂电池充电管理芯片,IC电路图
单节锂电池充电管理芯片,IC电路图
单节锂电池充电管理芯片,IC电路图
单节锂电池充电管理芯片,IC电路图

单节锂电池充电管理芯片,IC电路图

  • 价格 面议
详情

单节或者多节并联的锂电池充电管理电路系统方案

1,  可达 500MA充电电流, SOT23-5,单 LED指示灯, 5V输入线性降压, PW4054

2,  可达 1000MA充电电流, SOP8-EP,双 LED指示灯, 5V输入线性降压 ,PW4056

3,  可达 600MA充电电流, SOT23-5,单 LED指示灯, 5V输入线性降压,输入输出短路保护

4,  可达 2.50A充电电流, SOP8-EP,双 LED指示灯, 5V输入开关降压, PW4052

5,  可达 3.0A充电电流, SOP8-EP,双 LED指示灯, 5V输入开关降压, PW4035

6,  可达 2.0A充电电流, SOP8-EP,单 LED指示灯, 5-20V输入开关降压, PW4203

7, LDO稳压芯片( 2V-80V), DC-DC降压芯片, DC-DC升压芯片选型表

PW4054  是一款性能优异的单节锂离子电池恒流 /恒压线性充电器。 PW4054 适合给 USB 电源以及适配器电源供电。基于特殊的内部 MOSFET 架构以及防倒充电路, PW4054 不需要外接检测电阻和隔离二极管。当外部环境温度过高或者在大功率应用时,热反馈可以调节充电电流以降低芯片温度。充电电压固定在 4.2V,而充电电流则可以通过一个电阻器进行外部设置。当充电电流在达到最终浮充电压之后降至设定值的 1/10,芯片将终止充电循环。当输入电压断开时, PW4054 进入睡眠状态,电池漏电流将降到 1uA 以下。 PW4054 还可以被设置于停机模式,此时芯片静态电流降至 25uA。 PW4054 还包括其他特性:欠压锁定,自动再充电和充电状态标志

产品特点 
l 可编程充电电流 500mA
l 无需外接 MOSFET,检测电阻以及隔离二极管
l 恒定电流 /恒定电压并具有可在无过热危险的情况下实现充电速率最大化的热调节功能。
l 精度达到 ±1%的 4.2V 预充电电压
l 用于电池电量检测的充电电流监控器输出
l 自动再充电
l 充电状态输出显示
l C/10 充电终止
l 待机模式下的静态电流为 25uA
l 2.9V 涓流充电
l 软启动限制浪涌电流
代理商:深圳市夸克微科技 郑先生 :13528458039 QQ 2867714804


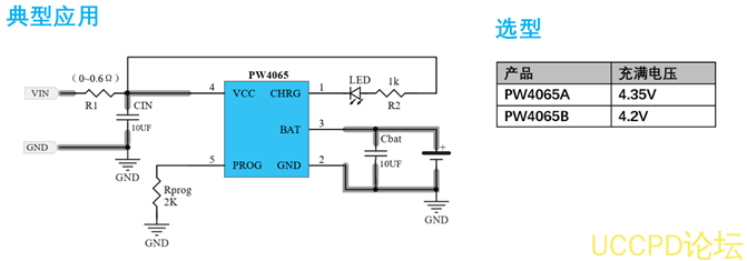
PW4065  是一款完整的单节锂电池充电器,带电池正负极反接保护、 输入电源正负极反接保
护的芯片,兼容大小 3mA-600mA 充电电流。充满电压可分为两档: 4.35V、 4.2V。充电电流可通过一个电阻器进行外部设置。


⚫ 兼容 3mA-600mA 的可编程充电电流
⚫ 输入端反接保护
⚫ 锂电池正负极反接保护
⚫ 适配器电源自适应
⚫ 具有可在无过热危险的情况下实现充电速率最大化的热调节功能
⚫ 带涓流、恒流、恒压控制
⚫ 精度达到 ±1%的预设充电电压
⚫ 最高输入可达 8.0V
⚫ 自动再充电
⚫ 待机模式下的供电电流为 65μA


PW4056  是可以对单节可充电锂电池进行恒流 /恒压充电的充电器电路。该器件内部包括功率晶体管,应用时不需要外部的电流检测电阻和阻流二极管。



l 可编程使充电电流可达 1.0A
l 不需要外部 MOSFET,传感电阻和阻流二极管
l 小的尺寸实现对锂离子电池的完全线形充电管理
l 恒电流 /恒电压运行和热度调节使得电池管理效力最高,没有热度过高的危险
l 从 USB 接口管理单片锂离子电池
l 充电电流输出监控
l 充电状态指示标志和充满状态标志


PW4052 , PW4035是一颗适用于单节锂电池的、具有恒压 /恒流充电模式的充电管理 IC。该芯片采用开关型的工作模式, 能够为单节锂电池提供快速、高效且简单的充电管理解决方案。 PW4052 内置防倒灌功能,不需要额外的外部二极管; PW4052 还设计有欠压保护、芯片过温保护等保护功能; 该芯片提供 SOP8-EP 封装。
输入电压范围: 4.7V~5.5V;
恒压/恒流模式充电;
1MHz(Typ) 固定开关频率;
充电效率高达 90%以上
内置防倒灌功能, 不需要外部二极管;                                                                                                
充电电压 4.2V±1%
充电电流可到2.5A,外部电阻可设置
涓流充电;
自动再充电;
休眠模式;
双灯显示充电状态
欠压保护
过温保护                                                                                                                                                     EMI  措辞:

                                                                                                                                                         R3,C2  即可,
                                                                                                                                                                  SW面积尽可少


PW4203是一款 4.5-22V输入, 2A同步降压多节锂离子电池充电器,适用于便携式应用产品。选择引脚方便多电池充电。 800 kHz同步降压调节器集成了 22V额定值的超低导通电阻 FET,以实现高效率和简单的电路设计。 PW4203提供 8针 SOP封装,提供非常紧凑的系统解决方案和导热性好。

 

特征


l  宽输入电压范围: 4.5V至 22V

l  高效率集成同步降压带固定 800kHz开关的调节器频率

l  可选择多电池充电

l  涓流 /恒流 /恒压充电模式

l  可编程(最大 2A)恒定充电当前

l  可编程充电定时器

l  输入电压 UVLO和电池 OVP

l  过热保护

l  输出短路保护

l  自动停机防止倒车能量流

l  充电状态指示

l  正常同步降压运行当电池取出时

l  SOP-8暴露垫包装



发表评论
评论通过审核后显示。