18V 常降压降压成 5V 电压,3.3V 电压和 3V 电压给其他芯片或设备供电,适用于这个 电压的 DC-DC
18V 常降压降压成 5V 电压,3.3V 电压和 3V 电压给其他芯片或设备供电,适用于这个 电压的 DC-DC
18V 常降压降压成 5V 电压,3.3V 电压和 3V 电压给其他芯片或设备供电,适用于这个 电压的 DC-DC
18V 常降压降压成 5V 电压,3.3V 电压和 3V 电压给其他芯片或设备供电,适用于这个 电压的 DC-DC
18V 常降压降压成 5V 电压,3.3V 电压和 3V 电压给其他芯片或设备供电,适用于这个 电压的 DC-DC

18V 常降压降压成 5V 电压,3.3V 电压和 3V 电压给其他芯片或设备供电,适用于这个 电压的 DC-DC

  • 价格 面议
详情
18V 降压 5V,18V 降压 3.3V,18V 降压 3V 稳压芯片,0.01A-3A 输出
18V 降压 5V,18V 降压 3.3V,18V 降压 3V,
18V 降压 5V 稳压芯片,18V 降压 3.3V 稳压芯片,18V 降压 3V 稳压芯片

18V 常降压降压成 5V 电压,3.3V 电压和 3V 电压给其他芯片或设备供电,适用于这个
电压的 DC-DC 很多,LDO 也是有可以选择的。LDO 芯片如 PW6206,PW8600 等。DC-DC
芯片如:PW2162,PW2312,PW2330 等等很多选择。如下表

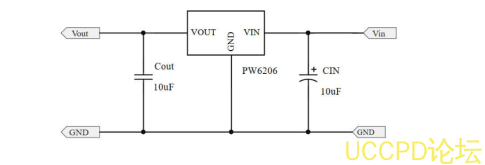
在 18V 输入中,比较合适的 LDO 可以选择:PW6206,输出电压 3V,3.3V,5V
输入电压最高 40V,功耗也低 4uA 左右,封装 SOT23-3


在 18V 输入中,比较合适的 DC-DC 可以选择:1.2A 的 PW2312 和 3A 的 PW2330 都
最合适的

PW2312 是一颗 DC-DC 同步降压降压换器芯片,输入电压范围 4V-30V,最大负载电流
1.2A,可调输出电压,频率 1.4MHZ 高频率,可采用贴片电感,节省空间,采用 SOT23-6 封
装形式。

PCB 图适用于 PW2312 案例:

发表评论
评论通过审核后显示。