18V降压12V降压9V稳压电路图和降压芯片
18V降压12V降压9V稳压电路图和降压芯片
18V降压12V降压9V稳压电路图和降压芯片
18V降压12V降压9V稳压电路图和降压芯片
18V降压12V降压9V稳压电路图和降压芯片
18V降压12V降压9V稳压电路图和降压芯片
18V降压12V降压9V稳压电路图和降压芯片
18V降压12V降压9V稳压电路图和降压芯片

18V降压12V降压9V稳压电路图和降压芯片

  • 价格 面议
详情

18V 降压 12V 降压 9V 降压 5V 降压 3.3V 降压 3V 芯片,DC-DC 和 LDO

18V 降压 12V,18V 降压 9V,18V 降压 5V,18V 降压 3.3V,18V 降压 3V,
18V 常降压降压成 5V 电压,3.3V 电压和 3V 电压给其他芯片或设备供电,适用于这个
电压的 DC-DC 很多,LDO 也是有可以选择的。LDO 芯片如 PW6206,PW8600 等。DC-DC
芯片如:PW2162,PW2312,PW2330 等等很多选择。如下表


在 18V 输入中,比较合适的 LDO 可以选择:PW6206,输出电压 3V,3.3V,5V
输入电压最高 40V,功耗也低 4uA 左右。


在 18V 输入中,比较合适的 DC-DC 可以选择:2A 的 PW2162,1.2A 的 PW2312 和
3A 的 PW2330 都最合适的。
PW2162 是一颗 DC-DC 同步降压降压换器芯片,输入电压范围 4.5V-16V,最大负载电
流 2A,可调输出电压,频率 600kHZ 高频率,可采用贴片电感,节省空间,采用 SOT23-6
封装形式。
 


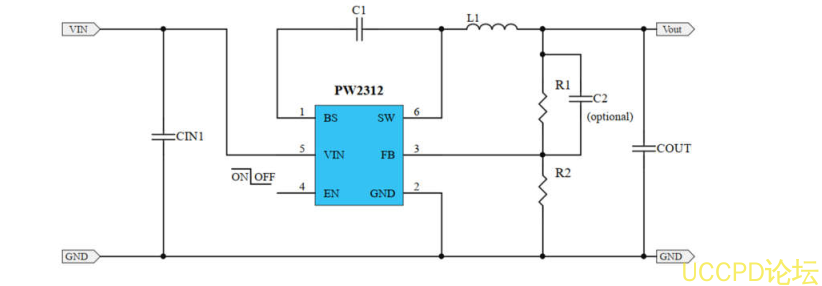
PW2312 是一颗 DC-DC 同步降压降压换器芯片,输入电压范围 4V-30V,最大负载电流
1.2A,可调输出电压,频率 1.4MHZ 高频率,可采用贴片电感,节省空间,采用 SOT23-6 封
装形式。

PCB 图适用于 PW2162 和 PW2312 案例:


发表评论
评论通过审核后显示。