24V降压5V, 24V降压3.3V, 24V降压3V线性LDO和DC降压芯片
24V降压5V, 24V降压3.3V, 24V降压3V线性LDO和DC降压芯片
24V降压5V, 24V降压3.3V, 24V降压3V线性LDO和DC降压芯片
24V降压5V, 24V降压3.3V, 24V降压3V线性LDO和DC降压芯片
24V降压5V, 24V降压3.3V, 24V降压3V线性LDO和DC降压芯片
24V降压5V, 24V降压3.3V, 24V降压3V线性LDO和DC降压芯片
24V降压5V, 24V降压3.3V, 24V降压3V线性LDO和DC降压芯片
24V降压5V, 24V降压3.3V, 24V降压3V线性LDO和DC降压芯片

24V降压5V, 24V降压3.3V, 24V降压3V线性LDO和DC降压芯片

  • 价格 面议
详情
24V 降压 5V, 24V 降压 3.3V, 24V 降压 3V 线性 LDO 和 DC 降压芯片
24V 降压 5V,24V 降压 3.3V,24V 降压 3V,24V 降压 1.8V,24V 降压 1.2V.
LDO 的话,一般是用 PW6206 即可,稳压 3V,3.3V,5V 输出供电。

DC-DC,需要根据电流来选择了。看下表。


在 24V 输入中,比较合适的 LDO 可以选择:PW6206,输出电压 3V,3.3V,5V
输入电压最高 40V,功耗也低 4uA 左右,采用 SOT23-3 封装

在 24V 输入中,比较合适的 DC-DC 可以选择:0.8A 的 PW2558,1.2A 的 PW2312 和 3A 的
PW2330 以及以上都最合适的。
PW2558 是一颗 DC-DC 降压降压换器芯片,输入电压范围 4.5V-55V,最大负载电流
0.8A,可调输出电压,频率 1.2MHZ 高频率,可采用贴片电感,节省空间,采用 SOP8 封装
形式。

PW2312 是一颗 DC-DC 同步降压降压换器芯片,输入电压范围 4V-30V,最大负载电流
1.2A,可调输出电压,频率 1.4MHZ 高频率,可采用贴片电感,节省空间,采用 SOT23-6 封
装形式

PCB 图适用于 PW2312 案例:
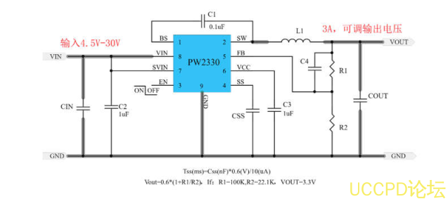
PW2330 开发了一种高效率的同步降压 DC-DC 变换器 3A 输出电流。PW2330 在 4.5V
到 30V 的宽输入电压范围内工作集成主开关和同步开关,具有非常低的 RDS(ON)以最小
化传导损失。PW2330 采用专有的瞬时 PWM 结构,实现快速瞬态响应适用于高降压应用和
轻负载下的高效率。此外,它在在连续传导模式下的 500kHz 伪恒定频率,以最小化电感器
和电容器。

PW2205 开发了一种高效率的同步降压 DC-DC 降压换器 5A 输出电流。PW2205 在
4.5V 到 30V 的宽输入电压范围内工作集成主开关和同步开关,具有非常低的 RDS(ON)
以最小化传导损失。


发表评论
评论通过审核后显示。