5V升压12.6V芯片电路图,三节锂电池充电
5V升压12.6V芯片电路图,三节锂电池充电
5V升压12.6V芯片电路图,三节锂电池充电
5V升压12.6V芯片电路图,三节锂电池充电
5V升压12.6V芯片电路图,三节锂电池充电
5V升压12.6V芯片电路图,三节锂电池充电
5V升压12.6V芯片电路图,三节锂电池充电
5V升压12.6V芯片电路图,三节锂电池充电
5V升压12.6V芯片电路图,三节锂电池充电
5V升压12.6V芯片电路图,三节锂电池充电
5V升压12.6V芯片电路图,三节锂电池充电
5V升压12.6V芯片电路图,三节锂电池充电

5V升压12.6V芯片电路图,三节锂电池充电

  • 价格 面议
详情
三节 3.7V 的锂电池串联,11.1V 和最大 12.6V 锂电池充电电路的解决方案。在应用中,
一般使用低压 5V,如 USB 口直接输入的给三串锂电池充电,还有是 15V 或者 18V,20V 输
入降压给锂电池充电的两种情况。

PW4053 是输入 5V 升压充电管理芯片,PW4203 是输入 15V-20V 降压充电三节锂电池 IC

5V,USB 口输入,给三节锂电池 12.6V 充电电路:
PW4053 是一款 5V 输入,最大 1.2A 充电电流,支持三节锂离子电池的升压充电管理
IC。PW4053 集成功率 MOS,采用异步开关架构,使其在应用时仅需极少的外围器件,可
有效减少整体方案尺寸。

外围比较简洁,可智能调节充电电流大小,防止拉垮适配器输出,可匹配所有适配器。
在笔记本电脑自带的 USB 口也是可以给三节锂电池充电。

18V,输入降压给 12.6V 三节锂电池充电电路:
PW4203 是一款 4.5V-22V 输入,最大 2A 充电,支持 1-3 节锂电池串联的同步降压
锂离子电池充电器芯片,适用于便携式应用。可通过芯片 VSET 引脚选择 1 节充电或 2 节串
联充电 3 节串联充电。
PW4203 集成了频率 800 kHz 的同步降压稳压器,具有极低的导通电阻,可实现高充
电效率和简单的电路设计。

PW4203 具有输入过压保护 24V,和低压启动保护 3.9V,还具有输出 VBAT 电池充
电电压的过压保护,输出短路保护,过温保护,过流保护,过时间保护。

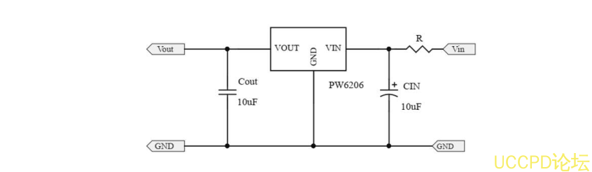
同时,三节锂电池锂电池的输出电压范围是 9V-12.6V 之间。我们需要转成 5V,6V 或者 3.3V
等时,需要使用 LDO 或者是 DC-DC 降压电路了。
LDO 稳压芯片,可达 40V 输入
PW6513 高耐压 40V,可直接代替 78L05,HT75XX,脚位一样
PW6206 系列是一款高精度,高输入电压,低静态电流,高速,低压降线性稳压器具有
高纹波抑制。在 VOUT=5V&VIN=7V 时,输入电压高达 40V,负载电流高达 300mA,采用
BCD 工艺制造。PW6206 提供过电流限制、软启动和过热保护,以确保设备在良好的条件下
工作
PW6206 调节器有标准 SOT89-3L(PW6513)和 SOT23-3L 封装。标准产品无铅无卤。
特点
输入电压:4.75V~40V
输出电压:1.8V~5.7V
输出精度:<±2%
输出电流:150mA(典型值)

12.6V 降压转 5V2A,5V3A 是输出的 DC-DC 降压芯片电路图:
5V2A 是 PW2162,PW2163 是 5V3A ,
PW2330 输入可达 30V,3A,PW2205,输入可达 30V,5 安,
PW2162 是一个完全集成,高效率 2A 同步整流降压转换器。PW2162 在宽输出电流负
载范围内以高效率运行。此设备提供两种工作模式,PWM 控制和 PFM 模式开关控
制,实现高效率在更宽的负载范围内。PW2162 要求现有的最小数量标准外部组件,并
在符合 ROHS 标准的 6 针 SOT23 封装中提供。
特征
效率高达 96%
600KHz 频率操作,2A 输出电流
不需要肖特基二极管
4.5V 至 16V 输入电压范围,0.6V 参考电压
斜坡补偿电流模式控制对于良好的线路和负载瞬态回应
综合内部补偿,稳定,低 ESR 陶瓷输出电容器
有故障模式的过电流保护
热关机,涌流限制和软启动
提供 SOT23-6 套装, -40°C 至+85°C 温度范围



发表评论
评论通过审核后显示。