锂电池升压芯片,IC电路图资料
锂电池升压芯片,IC电路图资料
锂电池升压芯片,IC电路图资料
锂电池升压芯片,IC电路图资料
锂电池升压芯片,IC电路图资料
锂电池升压芯片,IC电路图资料
锂电池升压芯片,IC电路图资料
锂电池升压芯片,IC电路图资料
锂电池升压芯片,IC电路图资料
锂电池升压芯片,IC电路图资料
锂电池升压芯片,IC电路图资料

锂电池升压芯片,IC电路图资料

  • 价格 面议
详情
锂电池常规的供电电压范围是 3V-4.2V 之间,标称电压是 3.7V。锂电池具有宽供电电压范围,
需要进行降压或者升压到固定电压值,进行恒压输出,同时根据输出功率的不同,(输出功率=输出

电压乘以输出电流)。不同的输出电流大小,合适很佳的芯片电路也是不同。


1, 锂电池升降压固定 3.3V 输出,电流 150MA,外围仅 3 个电容
2, 锂电池升压固定 5V 输出,外围仅 3 个电容
3, 锂电池 DC-DC 升降压芯片,输出 1-2A
4, 锂电池升压 5V 600MA,8uA 低功耗
5, 锂电池升压到 5V,8.4V,9V
6, 锂电池升压到 5V,8.4V,9V,12V
7, 锂电池升压 5V2A
8, 锂电池升压 5V3A
9, 锂电池充电管理 IC,可实现边充边放电
10, 锂电池稳压 LDO,和锂电池 DC-DC 降压大电流芯片
1, PW5410B 是一颗低噪声,恒频 1.2MHZ 的开关电容电压倍增器。PW5410B 的输入电压范围
1.8V-5V,输出电压 3.3V 固定电压,输出电流高达 100MA。外围元件仅需要三个贴片电容即可组成
一个升压电路系统。

2, PW5410A 是一颗低噪声,恒频 1.2MHZ 的开关电容电压倍增器。PW5410A 的输
2.7V-5V,输出电压 5V 固定电压,输出电流高达 250MA。外围元件仅需要三个贴片电容
个升压电路系统。

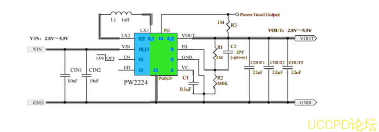
3, PW2224 是一种高效率的单电感 Buck-Boost 变换器,可以为负载供电电流高达 4A。它提供降
压和升压模式之间的自动转换。PW2224 工作频率为 2.4MHz,也可与外部频率从 2.2MHz 同步到
2.6MHz。直流/直流变频器在轻负载下以脉冲跳频方式工作。可以禁用省电模式,强制 PW2224 在
FPWM 模式下运行。在关机。PW2224 采用 TDFN3X4-14 包装。
特征
2.8V~5.5V 输入电压运行
可调输出电压从 2.8V 到 5.5V
96%效率 DC/DC 变换器
VIN>3.6V 时 3.3V 时的 3A 输出电流
Buck 和 Boost 之间的自动转换模式
轻载时的脉冲跳跃模式效率
内部软启动
DC/DC 转换器可设置为较低轻载静态电流
固定 2.4MHz 频率和可能同步
内置循环电流限制和过电压保护
内置热关机功能
电源良好功能
TDFN3X4-14 包装(3mmx4mm)

4, PW5100 是一款高效率、低功耗、低纹波、高工作频率的 PFM 同步升压 DC/DC 变换器。输
出电压可以进行内部调节,实现从 3.0V 至 5.0V 的固定输出电压, 调节步进为 0.1V。PW5100 仅
需要三个外围元件,就可将低输入电压升压到所需的工作电压。系统的工作频率高达 1.2MHz, 支
持小型的外部电感器和输出电容器, 同时又能保持超低的静态电流,实现 MAX 高的效率。
产品特点
MAX 大效率可达: 95%
MAX 高工作频率: 1.2MHz
超低启动电压: 0.7V@Io=1mA
宽输入电压范围: 0.7V~ 5.0V
输入静态电流: 10uA@VIN=2.0V
输出电压可选: 3.0V~ 5.0V@step=0.1V
输出电压精度: ±2.5%
低纹波,低噪声: ±10mV@Io=50mA
使能关断控制: ≤ 0.2V(低电平), ≥ 0.4*Vout(高电平)

5, PW5300是电流模式升压DC-DC转换器。其内置0.2Ω功率MOSFET的PWM电路使该稳压器具有
效率高的功率效率。内部补偿网络还可以程度地减少了6个外部元件的数量。误差放大器的同相输
入连接到0.6V精密基准电压,内部软启动功能可以减低浪涌电流。 PW5300采用SOT23-6L封装,为
应用提供节省空间的PCB。
特点:
可调输出MAX达12V
内部固定PWM频率:1.0MHz
Precision Feedback Reference Voltage: 0.6V (±2)
内部0.2Ω,2.5安,16V功率MOSFET
关断电流:0.1μA
过温保护,过压保护
可调过电流保护:0.5A 2.5A(Vin端)

6, PW5328B是一款恒定频率,6引脚SOT23电流模式升压转换器,适用于小型,低功耗应用。
PW5328B的开关频率为1.2MHz,允许使用高度小于2mm的小型低成本电容器和电感器。内部软启
动可减小浪涌电流并延长电池寿命。PW5328B具有在轻负载时自动切换到脉冲频率调制模式的功
能。 PW5328B包括欠压锁定,电流限制和热过载保护,以防止在输出过载情况下损坏。 PW5328B
采用6引脚小型SOT-23封装。
特点:
效率可达97%
2V至24V输入电压
1.2MHz固定开关频率
内部4安开关电流限制
可调输出电压
内部补偿
自动脉冲频率调制
轻载模式
采用SOT23-6封装

7, PW6276 是一颗高效同步升压转换芯片,锂电池输入升压输出可达 5V2.4A。内部集成低阻抗 功率 MOS。 具有短路保护功能内部集成软启动电路,无需外部补偿电容,外部反馈网络。
PW6276 采用 SOP8-EP 封装配合较少的外围原件使其非常适用于便携式产品。
特点
工作频率 500KHz
内部集成同步整流 MOS,无需外部整流二极管
外部反馈网络,输出电压可调节
恒流短路保护模式
电流模式,响应速度快
内部过流保护功能

8, 锂电池 3.7V 升压 5V3A 功率芯片, PW5303 是具有 PWM/ PSM 控制的电流模式升压
DC/DC 转换器。 它的 PWM 电路具有内置的 30mΩ 高端开关和 30mΩ 低端开关,使该稳压器
具有很高的功率效率。内部补偿网络还将外部元件的数量减少到仅 6 个。内部 0.6V 电压连接到
误差放大器的同相输入作为精密基准电压。内置的软启动功能可以减少浪涌电流。 具有 PWM
/ PSM 控制的电流模式
特征
输入电压范围: 2.4V 4.5V
可调输出高达 5.3V
关断电流: <1uA
振荡器频率: 500KHz
参考电压: 0.6V +/-2
关机期间断开负载
逐周期电流限制
低 RDS(on):高端和低端均为 30mΩ
保护: OTP, OCP, SCP
内部补偿
内部软启动: 7ms
封装: SOP8-EP




发表评论
评论通过审核后显示。