10号板USB 输入带 6.1V 过压关闭, 36V 耐压保护,应用于便捷充电设备
1 电路板 PCB 描述:
1.1 名称: USB 输入带 6.1V 过压关闭, 36V 耐压保护, 单节锂电池 3A 充电管理板
1.2 应用:便捷充电设备等
1.3 电池组: 3.7V 锂电池组,多并或单串, 充满 4.2V
1.4 输入电压: 5V (充电亮灯,充满转灯) , Max 充电电流(输出): 3A
1.1 名称: USB 输入带 6.1V 过压关闭, 36V 耐压保护, 单节锂电池 3A 充电管理板
1.2 应用:便捷充电设备等
1.3 电池组: 3.7V 锂电池组,多并或单串, 充满 4.2V
1.4 输入电压: 5V (充电亮灯,充满转灯) , Max 充电电流(输出): 3A
详情
1 电路板 PCB 描述:
1.1 名称: USB 输入带 6.1V 过压关闭, 36V 耐压保护, 单节锂电池 3A 充电管理板
1.2 应用:便捷充电设备等
1.3 电池组: 3.7V 锂电池组,多并或单串, 充满 4.2V
1.4 输入电压: 5V (充电亮灯,充满转灯) , Max 充电电流(输出): 3A
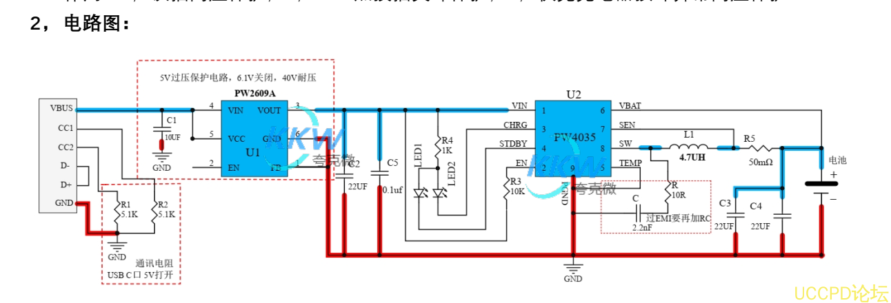
1.6 芯片功能简介:
1, 锂电池充电电路: PW4035
PW4035 锂电池充电管理芯片, 可达 3.5A 充电电流, ,支持单串锂电池充电。
2, 过压保护电路: PW2609A
PW2609A 是 USB 输入过压保护芯片芯片,可调输入过压关闭, 默认 6.1V, 36V 输入保护。
作用: 1,误插高压保护, 2, USB 热拔插尖峰保护, 3,快充充电器损坏异常高压保护
1.1 名称: USB 输入带 6.1V 过压关闭, 36V 耐压保护, 单节锂电池 3A 充电管理板
1.2 应用:便捷充电设备等
1.3 电池组: 3.7V 锂电池组,多并或单串, 充满 4.2V
1.4 输入电压: 5V (充电亮灯,充满转灯) , Max 充电电流(输出): 3A
1.6 芯片功能简介:
1, 锂电池充电电路: PW4035
PW4035 锂电池充电管理芯片, 可达 3.5A 充电电流, ,支持单串锂电池充电。
2, 过压保护电路: PW2609A
PW2609A 是 USB 输入过压保护芯片芯片,可调输入过压关闭, 默认 6.1V, 36V 输入保护。
作用: 1,误插高压保护, 2, USB 热拔插尖峰保护, 3,快充充电器损坏异常高压保护
深圳市夸克微科技 IC代理 郑R:13528458039
2, 电路图
PCB 布局分两部分电路:信号控制电路+功率电路
蓝色粗线功率走线布局宽; SW 部分因为是功率输出要布局宽,但还因为是噪声源面积要小。
红色粗线功率地,画板要点:功率地要宽,各点连接回路距离短,地要多打孔.
(输入,C1,PW2609 的 6 脚, C2,C5,PW4035 的底部焊盘, C3,C4,和电池的接地端)
3, PCB 图和 3D 显示图
4, BOM 物料表
发表评论