52号板 PW2205 降压电路板
1, 电路板 PCB 描述:
1.1 名称: PW2205 降压电路板
1.2 应用:电压降压转换板
1.3 VIN 输入电压: 4.5V-30V
1.4 VOUT 输出电压: 5V, 3.3V, 9V, 12V(输出按 20W 计算)
1.1 名称: PW2205 降压电路板
1.2 应用:电压降压转换板
1.3 VIN 输入电压: 4.5V-30V
1.4 VOUT 输出电压: 5V, 3.3V, 9V, 12V(输出按 20W 计算)
详情
1, 电路板 PCB 描述:
1.1 名称: PW2205 降压电路板
1.2 应用:电压降压转换板
1.3 VIN 输入电压: 4.5V-30V
1.4 VOUT 输出电压: 5V, 3.3V, 9V, 12V(输出按 20W 计算)
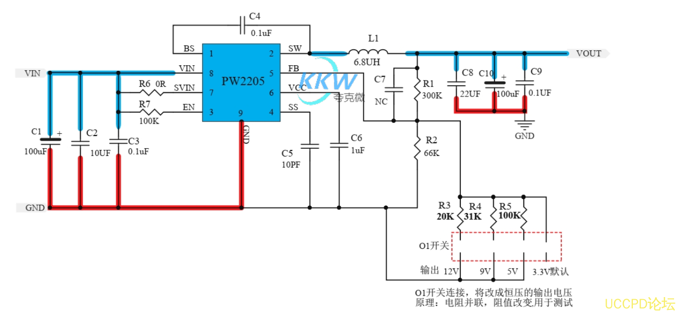
1.5 芯片功能简介:
1, 降压芯片: PW2205
PW2205 输入电压 4.5V~ 30V, 可通过 R1,R2 设置恒压输出电压值, 电流可高达 5A, 封装 ESOP8。
1.1 名称: PW2205 降压电路板
1.2 应用:电压降压转换板
1.3 VIN 输入电压: 4.5V-30V
1.4 VOUT 输出电压: 5V, 3.3V, 9V, 12V(输出按 20W 计算)
1.5 芯片功能简介:
1, 降压芯片: PW2205
PW2205 输入电压 4.5V~ 30V, 可通过 R1,R2 设置恒压输出电压值, 电流可高达 5A, 封装 ESOP8。
深圳市夸克微科技 IC代理 郑R:13528458039
C1,C3 输入电容和 C8,C9 输出电容,务必不可省掉。 同时 C1,C3 应放着 8 脚旁边,尽量靠近,
不可远离。
地(上图红色部分)的布局要宽,同时各点距离回路要短。
3, PCB 图和 3D 显示图
发表评论