102号两节串联锂电池充放电板,5V2A 输入和输出
1 电路板 PCB 描述:
1.1 名称:两节串联锂电池充放电板,5V2A 输入和输出
1.2 应用:便捷充电设备等
1.3 电池组: 7.4V 锂电池组,两串多并, 充满 8.4V
1.4 输入(USB1): 5V2A (充电亮灯,充满转灯,无电池闪灯) ,
1.5 输出(USB2): 5V2.4A (最大 3A)
1.1 名称:两节串联锂电池充放电板,5V2A 输入和输出
1.2 应用:便捷充电设备等
1.3 电池组: 7.4V 锂电池组,两串多并, 充满 8.4V
1.4 输入(USB1): 5V2A (充电亮灯,充满转灯,无电池闪灯) ,
1.5 输出(USB2): 5V2.4A (最大 3A)
详情
1 电路板 PCB 描述:
1.1 名称:两节串联锂电池充放电板,5V2A 输入和输出
1.2 应用:便捷充电设备等
1.3 电池组: 7.4V 锂电池组,两串多并, 充满 8.4V
1.4 输入(USB1): 5V2A (充电亮灯,充满转灯,无电池闪灯) ,
1.5 输出(USB2): 5V2.4A (最大 3A)
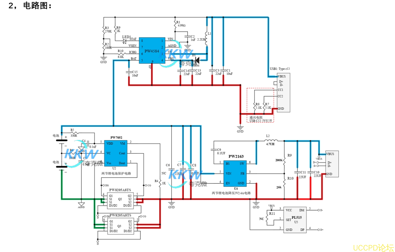
1.6 芯片功能简介:
1, B 锂电池充电电路: PW4584
PW4584 锂电池充电管理芯片, 内置 MOS, 可达输出 8.4V 1A 充电, 支持 5V 输入升压两串锂
电池充电。
2, A 锂电池保护电路: PW7052
PW7052 两串锂电池得过充,过放,过流检测保护电路芯片, 并联 MOS 可增加过流保护值
3, 锂电池输出电路: PW2163
PW2163 DC-DC 降压恒压芯片, 输入 4.5V-18V,可调恒压输出, , 输出可达 5A3A 电流。
1.1 名称:两节串联锂电池充放电板,5V2A 输入和输出
1.2 应用:便捷充电设备等
1.3 电池组: 7.4V 锂电池组,两串多并, 充满 8.4V
1.4 输入(USB1): 5V2A (充电亮灯,充满转灯,无电池闪灯) ,
1.5 输出(USB2): 5V2.4A (最大 3A)
1.6 芯片功能简介:
1, B 锂电池充电电路: PW4584
PW4584 锂电池充电管理芯片, 内置 MOS, 可达输出 8.4V 1A 充电, 支持 5V 输入升压两串锂
电池充电。
2, A 锂电池保护电路: PW7052
PW7052 两串锂电池得过充,过放,过流检测保护电路芯片, 并联 MOS 可增加过流保护值
3, 锂电池输出电路: PW2163
PW2163 DC-DC 降压恒压芯片, 输入 4.5V-18V,可调恒压输出, , 输出可达 5A3A 电流。
深圳市夸克微科技 IC代理 郑R:13528458039
PCB 布局分两部分电路:信号控制电路+功率电路
蓝色粗线功率走线布局宽; SW 部分(PW2163 的 PIN 脚 6 和 L1,D1,Q1 三器件的相接处)因
为是功率输出要布局宽,但还因为是噪声源面积要小。
红色粗线功率地,画板要点:功率地要宽,各点连接回路距离短,地要多打孔.
3, PCB 图和 3D 显示图
发表评论