135号PD 和 QC 快充充电器 2A 给两节 7.2V 磷酸铁锂电池充电芯片方案 PW4000
1 电路板 PCB 描述:
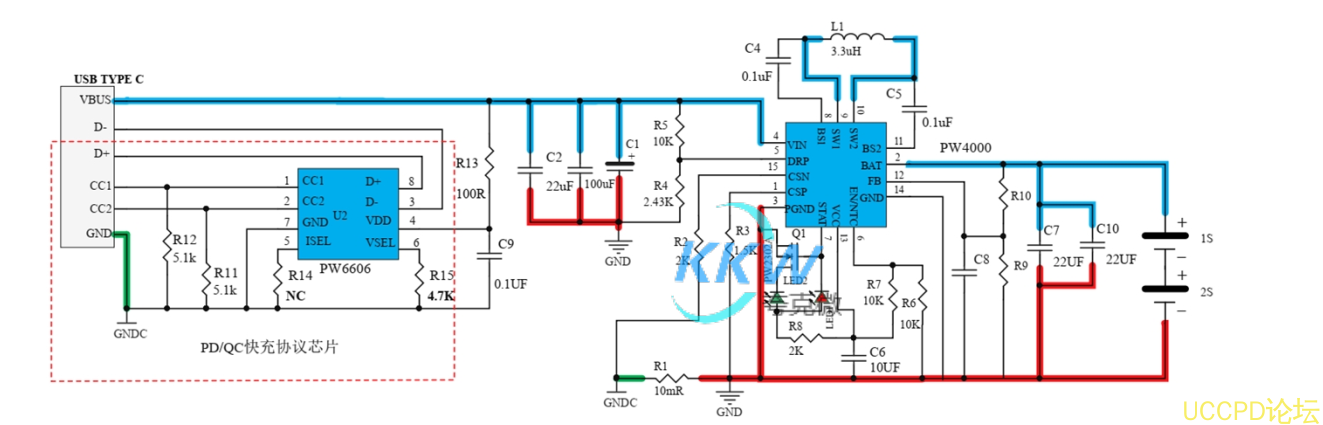
1.1 名称: PD 和 QC 快充充电器 2A 给两节 7.2V 磷酸铁锂电池充电 芯片 方案 PW4000
1.2 应用:便捷充电设备等
1.3 电池组: 6.4V 磷酸铁锂电池组,两串可多并,充满 7.2V
1.4 输入电压: 5V-12V (充电亮灯,充满转灯,不接电池是闪灯)
1.5 Max 充电电流: 2A
1.1 名称: PD 和 QC 快充充电器 2A 给两节 7.2V 磷酸铁锂电池充电 芯片 方案 PW4000
1.2 应用:便捷充电设备等
1.3 电池组: 6.4V 磷酸铁锂电池组,两串可多并,充满 7.2V
1.4 输入电压: 5V-12V (充电亮灯,充满转灯,不接电池是闪灯)
1.5 Max 充电电流: 2A
详情
1 电路板 PCB 描述:
1.1 名称: PD 和 QC 快充充电器 2A 给两节 7.2V 磷酸铁锂电池充电 芯片 方案 PW4000
1.2 应用:便捷充电设备等
1.3 电池组: 6.4V 磷酸铁锂电池组,两串可多并,充满 7.2V
1.4 输入电压: 5V-12V (充电亮灯,充满转灯,不接电池是闪灯)
1.5 Max 充电电流: 2A
1.6 芯片功能简介:
1, 锂电池充电电路: PW4000
PW4000 是 1 节-4 节锂电池充电管理芯片,可达 3A 充电电流,支持升降压能力。
2, USB C 口 PD/QC 快充协议芯片: PW6606
PW6606 是 PD/QC 快充协议芯片, SINK 端,负责协议通讯快充充电器使输出其指定的电压。
1.1 名称: PD 和 QC 快充充电器 2A 给两节 7.2V 磷酸铁锂电池充电 芯片 方案 PW4000
1.2 应用:便捷充电设备等
1.3 电池组: 6.4V 磷酸铁锂电池组,两串可多并,充满 7.2V
1.4 输入电压: 5V-12V (充电亮灯,充满转灯,不接电池是闪灯)
1.5 Max 充电电流: 2A
1.6 芯片功能简介:
1, 锂电池充电电路: PW4000
PW4000 是 1 节-4 节锂电池充电管理芯片,可达 3A 充电电流,支持升降压能力。
2, USB C 口 PD/QC 快充协议芯片: PW6606
PW6606 是 PD/QC 快充协议芯片, SINK 端,负责协议通讯快充充电器使输出其指定的电压。
深圳市夸克微科技 IC代理 郑R:13528458039
发表评论