PW6513代理,现货直销,技术支持
PW6513代理,现货直销,技术支持
PW6513代理,现货直销,技术支持

PW6513代理,现货直销,技术支持

  • 价格 面议
  • 品牌 PW PW6513
详情

一般说明

PW6513 系列是一款高精度,高输入电压,低静态电流,高速,低具有高纹波抑制的线性稳压器。输入电压高达 40V ,负载电流为在电压 =5V VIN=7V 时高达 300mA 。该设备采用 BCD 工艺制造。 PW6513 提供过电流限制、软启动和过温保护,确保设备工作在井况 PW6513 调节器采用标准 SOT89-3L 封装。标准产品无铅无卤素。

特征

输入电压:4.75V~40V

输出电压:1.8V~5.7V

输出精度:< ± 2%

输出电流:150mA (典型值)

高达300mA@VIN=7V VOUT=5V

电源抑制比:60dB@100Hz

跌落电压:600mV@IOUT=100mA

静态电流:4.2 μ A@VIN=12V (典型)

ESD 高压断路器: 8KV

电容器选择 10 μ F

应用

智能电表

车内娱乐

电动自行车

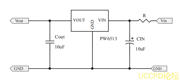
典型应用电路


申请信息

输入电容器

VIN GND 引脚之间需要 10 μ F 的输入电容。电容器放置尽量靠近 VIN 引脚,建议使用电解电容器。容忍度并且必须考虑温度系数,以保证电容器工作在工作范围超过整个温度范围和工作条件。

输出电容器

在实际应用中,选择输出电容器以保证其稳定运行是很重要的。稳定和正确选择 的电容为1 μ F 。电容公差应为± 30% 或优于工作温度范围。建议电容器类型为 MLCC

空载稳定性

 

PW6513 将在无外部负载的情况下保持稳定和调节。这一点尤其重要在 CMOS RAM 中保持活跃的应用。

 

典型电路

 

下图显示了PW6513 设备的典型应用电路。外部的价值应根据应用情况仔细选择部件。在封堵应用中,因为过冲引起的芯片上电源的插入和拔出可能会损坏对于芯片,建议 VIN 小于 30V ,输入电压峰值不应超过 45V

 

在封堵应用中,建议R C1 选用如下:

 

1.C1=10 μ F~100 μ F 电解电容器,电压大于 50V R=0

 

2.C1=1 μ F~10 μ F MLCC ,电压 V 大于 50V 1206 R=2 Ω

 

应仔细选择电阻器,以确保有足够的余量来维持吸收浪涌电流。

品牌代理商:深圳市夸克微科技
郑生: 13528458039
QQ : 2867714804

发表评论
评论通过审核后显示。