PW2205芯片代理商,技术支持,原装现货

PW2205芯片代理商,技术支持,原装现货

  • 价格 面议
  • 品牌 PW PW2205
详情

一般说明

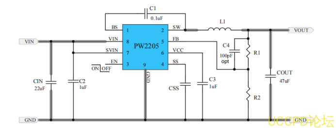
PW2205 开发了一种高效率的同步降压 DC-DC 转换器 5A 输出电流。 PW2205 4.5V 30V 的宽输入电压范围内工作集成主开关和同步开关,具有非常低的 RDS ON )以最小化传导

损失。PW2205 采用瞬时脉宽调制( PWM )结构,实现高阶跃降的快速瞬态响应轻载时的应用和高效率。此外,它的工作频率是伪恒定的在连续导通模式下为 500kHz ,以使电感器和电容器的尺寸最小

特征



  内部整流MOS 的低RDS on )(顶部 / 底部): 70/40 m Ω

 4.5V-30V 输入电压范围

  瞬时PWM 架构实现快速瞬态响应

 外部软启动限制涌入电流

  恒频:500kHz at 重载

 5A 连续, 6A 峰值负载电流能力

 1.5%0.6V 参考电压

 输出过电流限制

 输出短路保护当前折回

 热关机和自动恢复

  符合RoHS 标准且无卤素

  包装:SOP8-EP




应用

液晶电视

大功率AP 路由器

网络

机顶盒

笔记本

保管部

品牌代理商:深圳市夸克微科技
郑生: 13528458039
QQ : 2867714804


发表评论
评论通过审核后显示。