PW2312芯片代理,原装现货,技术支援

PW2312芯片代理,原装现货,技术支援

  • 价格 面议
  • 品牌 PW PW2312
详情

一般说明 

PW2312 是一个高频,同步,整流,降压,开关模式转换器内部功率 MOSFET 。它提供了一个非常紧凑的解决方案,以实现 1.5A 的峰值输出电流在广泛的输入电源范围内,具有优良的负载和线路调节 PW2312 需要最少数量的现成外部组件,可在节省空间的 SOT23-6 包。

特征


  4V 30V 工作输入范围

 1.2A 连续输出电流

 1.4MHz 开关频率

 短路保护模式

 内置过流限制

 内置过电压保护

  模式PWM

 内部软启动

 200m Ω /150m Ω低 RDS ON )内部功率金氧半晶体

 不需要肖特基二极管

 综合内部补偿

 热关机

  提供SOT23-6 套装

 -40 ° C +85 ° C 温度范围

 

应用

闭路电视摄像机

平板电视和显示器

电池充电器

分布式电力系统

 

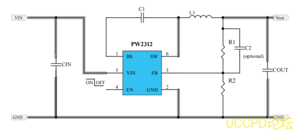
典型应用电路    

品牌代理商:深圳市夸克微科技
郑生: 13528458039
QQ : 2867714804

发表评论
评论通过审核后显示。