供应PW6206芯片,原装现货,技术支持
供应PW6206芯片,原装现货,技术支持
供应PW6206芯片,原装现货,技术支持

供应PW6206芯片,原装现货,技术支持

  • 价格 面议
  • 品牌 平芯微 PW6206
详情

一般说明

PW6206系列是一款高精度,高输入电压,低静态电流,高速,低压降线性稳压器具有高纹波抑制。在 VOUT=5V&VIN=7V时,输入电压高达 40V,负载电流高达 300mA,采用 BCD工艺制造。 PW6206提供过电流限制、软启动和过热保护,以确保设备在良好的条件下工作

PW6206调节器有标准 SOT89-3LSOT23-3L封装。标准产品无铅无卤。

特点

l  输入电压: 4.75V~40V

l  输出电压: 1.8V~5.7V

l  输出精度: <±2%

l  输出电流: 150mA(典型值)

l  最高 300mA@VIN=7VVOUT=5VPW6206B50HV封装

l  电源抑制比: 60dB@100Hz

l  跌落电压: 600mV@IOUT=100mA

l  静态电流: 4.2μA@VIN=12V(典型值)

ESD HBM:8KV

l  推荐电容器: 10μ F

应用

l  智能电表

l  车内娱乐

l  电动自行车
代理商:深圳市夸克微科技 郑先生 :13528458039 QQ 2867714804

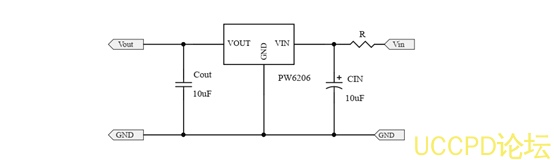
典型应用电路



申请信息

输入电容器

VINGND引脚之间需要 10μ F的输入电容。电容器应尽可能靠近 VIN引脚,建议使用电解电容器。必须考虑公差和温度系数,以确保电容器在整个温度和工作条件范围内工作。

输出电容器

在实际应用中,选择输出电容器以保证其稳定运行是非常重要的。稳定和正确操作的最小电容为 1μ F。电容公差应在工作温度范围内± 30%或更好。建议电容器类型为 MLCC

空载稳定性

PW6206将在无外部负载的情况下保持稳定和调节。这在 CMOS RAM保持活动应用中尤其重要。
典型电路

下图显示了PW6206设备的典型应用电路。根据应用情况,应仔细选择外部组件的值。在插拔应用中,由于芯片上电源的插入和拔出引起的过冲会损坏芯片,因此建议VIN小于30V,输入电压峰值不超过45V。

在封堵应用中,建议R、Cin选用如下:

1Cin=10μF~100μF电解电容器,最大电压大于50V,R=0;

2Cin=1μF~10μF MLCC,最大电压V大于50V,R=2Ω,1206型电阻器应仔细选择,以确保有足够的裕度来承受插入期间的浪涌电流。


发表评论
评论通过审核后显示。