代理PW2312芯片,原装现货,技术支持
代理PW2312芯片,原装现货,技术支持
代理PW2312芯片,原装现货,技术支持

代理PW2312芯片,原装现货,技术支持

  • 价格 面议
  • 品牌 平芯微 PW2312
详情

一般说明  

PW2312是一个高频,同步,整流,降压,开关模式转换器内部功率MOSFET。它提供了一个非常紧凑的解决方案,以实现1.5A的峰值输出电流在广泛的输入电源范围内,具有优良的负载和线路调节PW2312需要最少数量的现成外部组件,可在节省空间的SOT23-6包。

特征

l  宽4V至30V工作输入范围

l  1.2A连续输出电流

l  1.4MHz开关频率

l  短路保护模式

l  内置过流限制

l  内置过电压保护

l  模式PWM

l  内部软启动

l  200mΩ/150mΩ低RDS(ON)内部功率金氧半晶体

l  不需要肖特基二极管

l  综合内部补偿

l  热关机

l  提供SOT23-6套装

l  -40°C至+85°C温度范围

应用

l  闭路电视摄像机

l  平板电视和显示器

l  电池充电器

l  分布式电力系统
代理商:深圳市夸克微科技 郑先生 :13528458039 QQ 2867714804

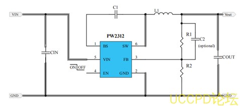
典型应用电路



CIN推荐 47-100uF同时并联 0.1uF,输入电压低时贴片电容,输入高时要电解电容

COUT建议 22uF两个并联, L1推荐 2.2-4.7UHC2一般是 22pF,可调输入电压低时,EN可直接接VIN,输入电压高时,一般串个电阻再接VIN。


发表评论
评论通过审核后显示。