24V转5V, 24V转3.3V, 24V转3V线性LDO和DC降压芯片 
24V转5V, 24V转3.3V, 24V转3V线性LDO和DC降压芯片 
24V转5V, 24V转3.3V, 24V转3V线性LDO和DC降压芯片 
24V转5V, 24V转3.3V, 24V转3V线性LDO和DC降压芯片 
24V转5V, 24V转3.3V, 24V转3V线性LDO和DC降压芯片 
24V转5V, 24V转3.3V, 24V转3V线性LDO和DC降压芯片 

24V转5V, 24V转3.3V, 24V转3V线性LDO和DC降压芯片 

  • 价格 面议
详情

24V5V24V3.3V24V3V24V1.8V24V1.2V.

LDO的话,一般是用 PW6206即可,稳压 3V3.3V,5V输出供电。

DC-DC,需要根据电流来选择了。看下表。

24V输入中,比较合适的 LDO可以选择: PW6206,输出电压 3V,3.3V,5V

输入电压最高 40V,功耗也低 4uA左右,采用 SOT23-3封装。



24V输入中,比较合适的 DC-DC可以选择: 0.8APW25581.2APW23123APW2330以及以上都最合适的。

PW2558是一颗 DC-DC降压转换器芯片,输入电压范围 4.5V-55V,最大负载电流 0.8A,可调输出电压,频率 1.2MHZ高频率,可采用贴片电感,节省空间,采用 SOP8封装形式。


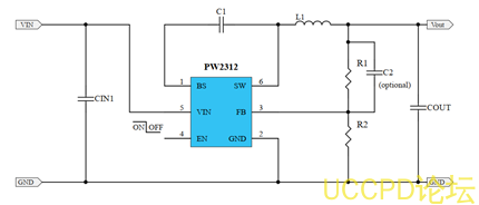
PW2312是一颗 DC-DC同步降压转换器芯片,输入电压范围 4V-30V,最大负载电流 1.2A,可调输出电压,频率 1.4MHZ高频率,可采用贴片电感,节省空间,采用 SOT23-6封装形式。



PCB图适用于 PW2312案例:



代理商:深圳市夸克微科技 
郑先生 :13528458039 
QQ 2867714804




发表评论
评论通过审核后显示。