5V转1.5V的几款低功耗降压芯片
5V转1.5V的几款低功耗降压芯片
5V转1.5V的几款低功耗降压芯片
5V转1.5V的几款低功耗降压芯片
5V转1.5V的几款低功耗降压芯片

5V转1.5V的几款低功耗降压芯片

  • 价格 面议
详情

  5V1.5V芯片, 3.7V1.5V芯片在不同的应用,有着不同的电流要求 1A,2A,3A,不同的 5V供电也有不同的芯片选择。 5V一般转成 1.5V都是恒压,固定 1.5V输出的模式,和最大输出电流。

 

     3.7V是常规我们知道的锂电池多,一般锂电池的放电电压是 3V-4.2V之间,再转成 1.5V的话,不需要担心升降压等其他问题,不像输出 3.3V时,可能要考虑到升降压芯片的问题了,升降压芯片可考虑到 PW2228APW5410B等等。其他具体参数要看规格书资料来判断。

5V1.5V的稳压芯片, 3.7V1.5V的降压芯片,可使用 1,LDO芯片, 2,DC-DC降压芯片。

 

1, DC-DC降压芯片:

通过表格,对于输入电压是不是再范围内的,来初步筛选和备选,淘汰一些不符合自己要求的降压电路系统的芯片,满足输入电压的,有 PW2058,PW2051,PW2052,PW2053等。

由于这四款芯片的外围电路是和一样的,既我们就可以看下 PW2052的线路图标准来看即可 .


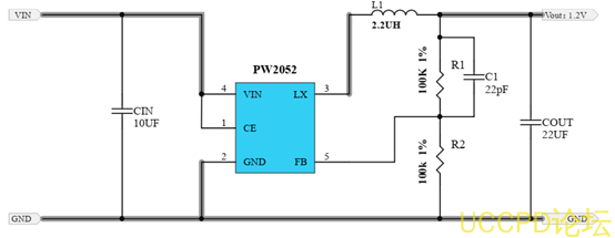
PW2052是一颗高效率,高频率 1MHZ的同步 DC-DC降压转换器, 100%占空比,可调输出电压,可采用贴片电感,节省空间。 PW2052采用 SOT23-5的便捷封装型号,更适合与小型空间有限制的产品。

PW2052的典型应用电路图:

这是一张输出电压设计成 12V的原理图,如果需要改成 1.5V的话,只需要更改 R2电阻的阻值即可来改动输出电压:



DC-DC的,如果 5V电压,输入要超过时,可选择 PW2162,PW2163等降压芯片。

2LDO芯片

   LDO的选择就比较简单额。直接就可以用 PW6566了。

LDO产品

输入电压

输出电压

输出电流

静态功耗

封装

PW6566

1.8V5.5V

1.2V5V

250mA

2uA

SOT23-3

PW6218

4V18V

3V,3.3V,5V

100MA

3uA

Sot23-3

PW6206

4.5V40V

3V,3.3V,5V

150MA

4.2uA

Sot23/89

PW8600

4.5V80V

3V,3.3V,5V

150MA

2 uA

Sot23-3

代理商:深圳市夸克微科技 
郑先生 :13528458039 

QQ 2867714804

发表评论
评论通过审核后显示。