9V转3V降压芯片选型表
9V转3V降压芯片选型表
9V转3V降压芯片选型表
9V转3V降压芯片选型表

9V转3V降压芯片选型表

  • 价格 面议
详情

  9V3V降压芯片, 9V3V降压芯片, 9V3V稳压芯片, 12V3V稳压芯片,

9V3V电源芯片, 12V3V输出的电源芯片

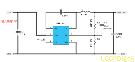
     9V3V12V3V的典型应用电路:

1, LDO稳压 IC

2, LDO产品 输入电压        输出电压        输出电流        静态功耗        封装

3, PW6566      1.8V5.5V      1.2V5V   250mA         2uA      SOT23-3

4, PW6218        4V18V    3V,3.3V,5V     100MA        3uA      Sot23-3

5, PW6206        4.5V40V     3V,3.3V,5V     150MA       4.2uA      Sot23/89

6, PW8600       4.5V80V     3V,3.3V,5V     150MA         2uA     Sot23-3

2DC-DC降压 IC



DC-DC的选择比较多:

1, PW2162  最大电流 2A

2, PW2162  最大电流 3A

3, PW2312  最大电流 1.2A

4, PW2205  最大电流 5A

5, PW2330,最大电流 3A等等

代理商:深圳市夸克微科技 
郑先生 :13528458039 
QQ 2867714804

发表评论
评论通过审核后显示。