15V转3.3V低功耗大电流降压IC
15V转3.3V低功耗大电流降压IC
15V转3.3V低功耗大电流降压IC
15V转3.3V低功耗大电流降压IC
15V转3.3V低功耗大电流降压IC
15V转3.3V低功耗大电流降压IC

15V转3.3V低功耗大电流降压IC

  • 价格 面议
详情

  15V3.3V电源芯片, 18V3.3V电源芯片, 15V3.3V降压芯片, 18V3.3V降压芯片, 15V3.3V稳压芯片, 18V3.3V稳压芯片。

     15V18V供电电压输入,降压转 3.3V的电源电路和芯片选择。首先需要由于 15V18V电压在开关动作时,或者拔插动作时,会产生浪涌(电火花)输入瞬间的尖峰电压,一般是输入电压的 2倍左右。

如果芯片耐压不够宽,或者输入瞬间尖峰电压不吸收掉,瞬间的高压打到了芯片,芯片容易出现损坏不良的现象,一般吸收电路有: 1TVS管, 2是加电解电容, 3RC电路等等。

常用的是 TVS管和加电解电容的方式更多。

15V18V3.3V有两种解决方案 : 1,LDO 线性稳压方案, 2,DC-DC降压方案

 

1,LDO线性稳压方案

 

15V18V输入,通过下面的型号列举,我们可以选择有两款,一是 PW6206,二是 PW8600,输出电压是固定的:有 5V3.3V,3V选择。封装是 SOT23-3封装。

LDO产品

输入电压

输出电压

输出电流

静态功耗

封装

PW6566

1.8V5.5V

1.2V5V

250mA

2uA

SOT23-3

PW6218

4V18V

3V,3.3V,5V

100MA

3uA

Sot23-3

PW6206

4.5V40V

3V,3.3V,5V

150MA

4.2uA

Sot23/89

PW8600

4.5V80V

3V,3.3V,5V

150MA

2 uA

Sot23-3

2,DC-DC降压方案

DC-DC                              

降压产品        输入电压        输出电压        输出电流        频率        封装

PW2057     2.0V6.0V      3.3V,1.8V,1.2V  0.7A    1.5MHz    SOT23-5

PW2058     2.0V6.0V      1V5V       0.8A      1.5MHz    SOT23-5

PW2051     2.5V5.5V      1V5V       1.5A      1.5MHz    SOT23-5

PW2052     2.5V5.5V      1V5V       2.0A      1.0 MHz   SOT23-5

PW2053     2.5V5.5V      1V5V       3.0A      1.0 MHz   SOT23-5

PW2162     4.5V16V       1V15V       2A       600KHZ    SOT23-6

PW2163     4.5V16V       1V15V       3A       600KHZ    SOT23-6

PW2205     4.5V20V       1V15V       5A       340KHZ    SOP8-EP

PW2312     4.0V30V       1V28V      1.2A      1.4 MHz    SOT23-6

PW2330     4.5V30V       1V28V       3A       130KHz     SOP8

PW2431     4.5V40V       1V30V       3A       340KHz     SOP8-EP

PW2558     4.5V55V       1.25V30V    0.8A      1.2MHz   SOT23-6

PW2608     5.5V60V       1.5-30V       0.8A      0.3-1Mhz  SOP8-EP

PW2815     4.5V80V       1.5V30V     1.5A      400KHZ   SOP8-EP

PW2906     12V90V     1.25V20V    0.6A      150KHZ    SOP8-EP

PW2902     8V90V       5V30V       2A       140KHZ   SOP8-EP

PW2153     8V140V     5V30V       4A       140KHZ   SOP8

DC-DC降压芯片的选择也有很多,以 PW2312开始,往后的型号都可以, PW2205输入电压最大值太接近了,适用于 15V,不适合 18V.

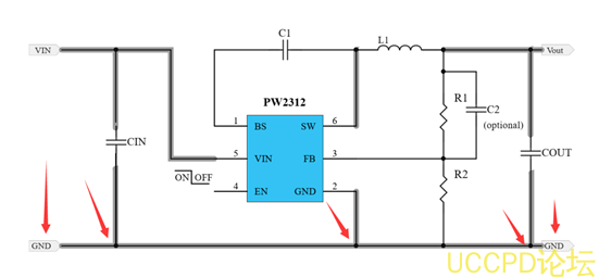
PW2312是一颗 DC-DC同步降压转换器芯片,输入电压范围 4V-30V,最大负载电流 1.2A,可调输出电压,频率 1.4MHZ高频率,可采用贴片电感,节省空间,采用 SOT23-6封装形式。

R1,R2为反馈电阻,通过两个电阻的阻值来调输出电压。



•       初接触电源设计工程师,在设计时往往忽略了功率地的回路和布线,如下图箭头处, VINGNDCINGND端, COUTGND端和 VOUTGND端和 PW芯片的 GND脚,这 5点,布线要宽的同时,回路连接不宜七绕八绕,要宽和直接。 CIN,COUT过孔时,也需要多打孔,布线宽。




代理商:深圳市夸克微科技 
郑先生 :13528458039
QQ 2867714804


发表评论
评论通过审核后显示。