IP2726说明书
详情
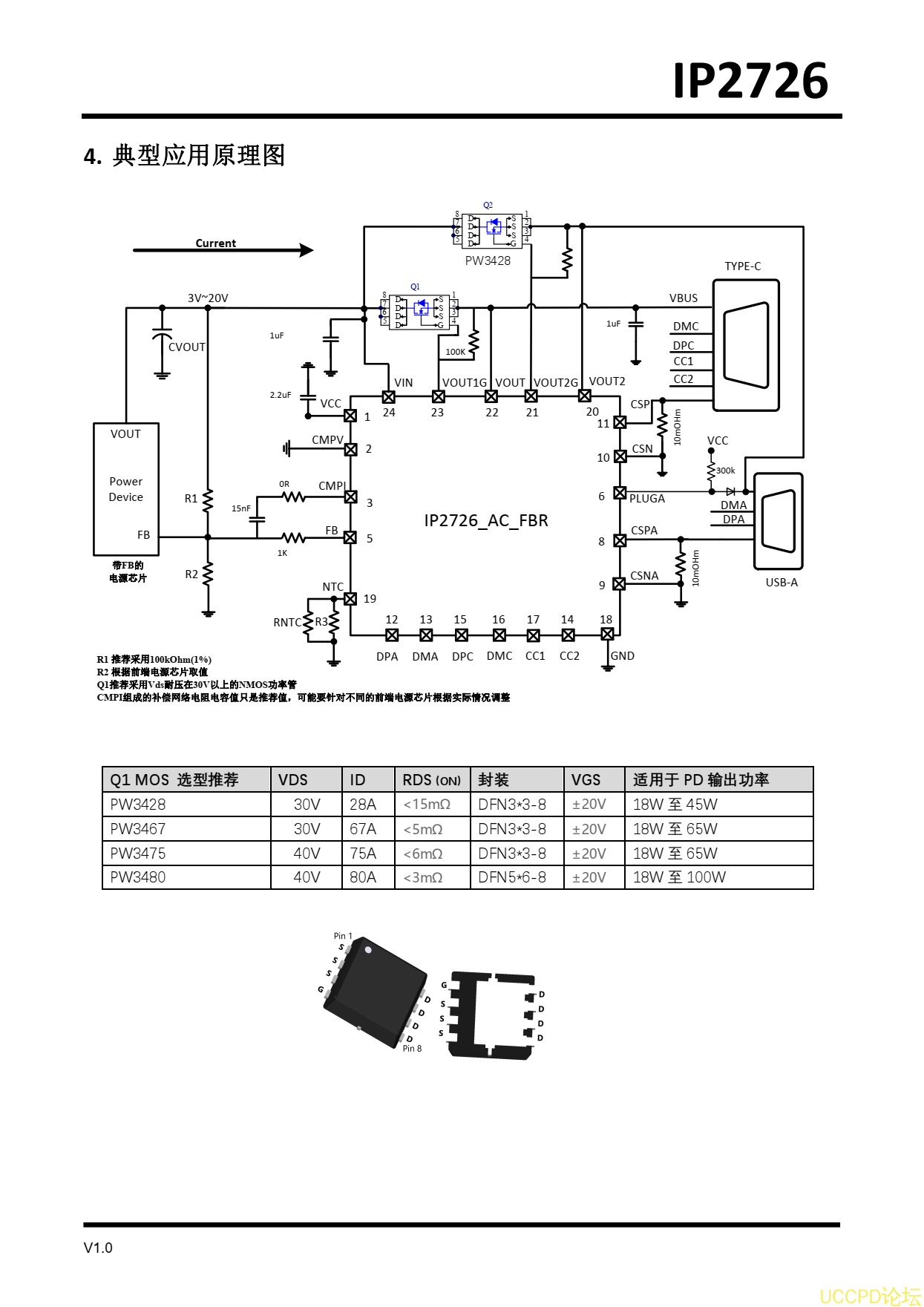
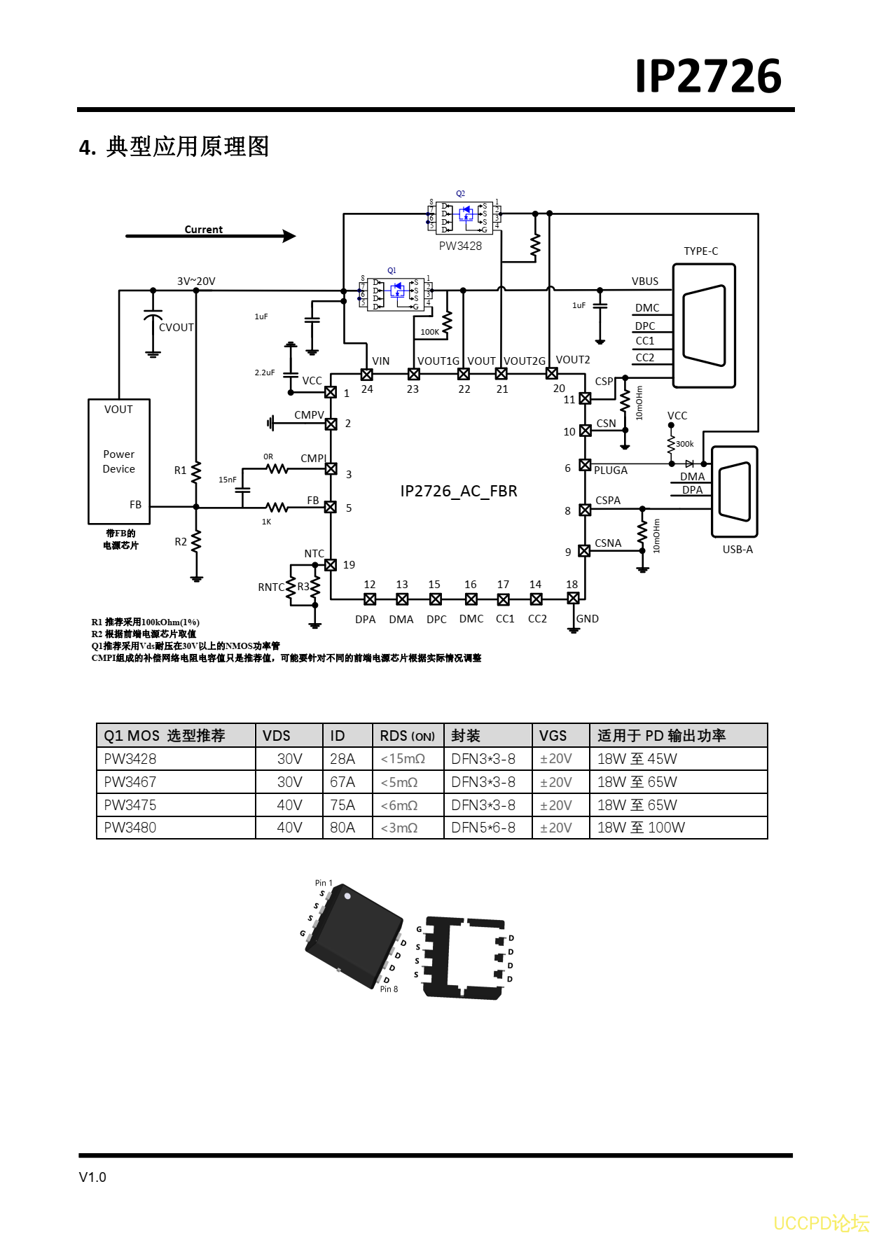
IP2726_AC_FBR
是一款集成多种协议、 用于
USB-A
和
TYPE-C
双端口输出的
快充协议
IC
。 支持多种快充协议,包括
USB TypeC DFP
,
PD2.0/PD3.0/PPS ,HVDCP
QC4 +/QC4/QC3.0/QC2.0
(
Quick Charge
),
FCP
(
Fast Charge Protocol
),
SCP
(
Super Fast
Charge ), AFC ( Adaptive Fast Charge ), MTK PE+ 2.0/1.1 ( Pump Express Plus 2.0/1.1 ), 2.4A , BC1.2 以及 2.0A 。 为适配器、车充等单向输出应用提供完整的 TYPE-C 解决方案。
IP2726_AC_FBR 具备高集成度与丰富功能,在应用时仅需极少的外围器件,有效减小整体方案的尺寸,降低 BOM 成本。

代理商:深圳市夸克微科技
Charge ), AFC ( Adaptive Fast Charge ), MTK PE+ 2.0/1.1 ( Pump Express Plus 2.0/1.1 ), 2.4A , BC1.2 以及 2.0A 。 为适配器、车充等单向输出应用提供完整的 TYPE-C 解决方案。
IP2726_AC_FBR 具备高集成度与丰富功能,在应用时仅需极少的外围器件,有效减小整体方案的尺寸,降低 BOM 成本。
代理商:深圳市夸克微科技
郑先生 :13528458039
QQ 2867714804
发表评论