IP2188应用手册
详情
IP2188 是一款集成 12 种、用于 USB 输出端口的
快充协议 IC,支持 USB 端口充电协议。支持 11种快充协议,包括 USB TypeC PD2.0/PD3.0/PPS DFP,HVDCP QC3.0/QC2.0(Quick Charge) Class A, FCP
( Fast Charge Protocol ), SCP(Super Fast Charge), AFC( Adaptive Fast Charge ),MTK PE+ 2.0/1.1( Pump Express Plus 2.0/1.1), Apple 2.4A, BC1.2 以及 2.0A。



( Fast Charge Protocol ), SCP(Super Fast Charge), AFC( Adaptive Fast Charge ),MTK PE+ 2.0/1.1( Pump Express Plus 2.0/1.1), Apple 2.4A, BC1.2 以及 2.0A。
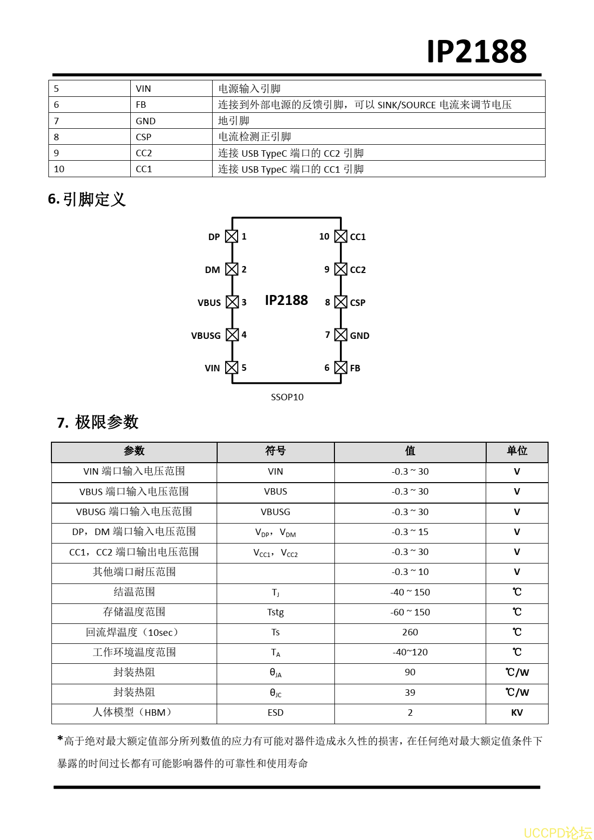
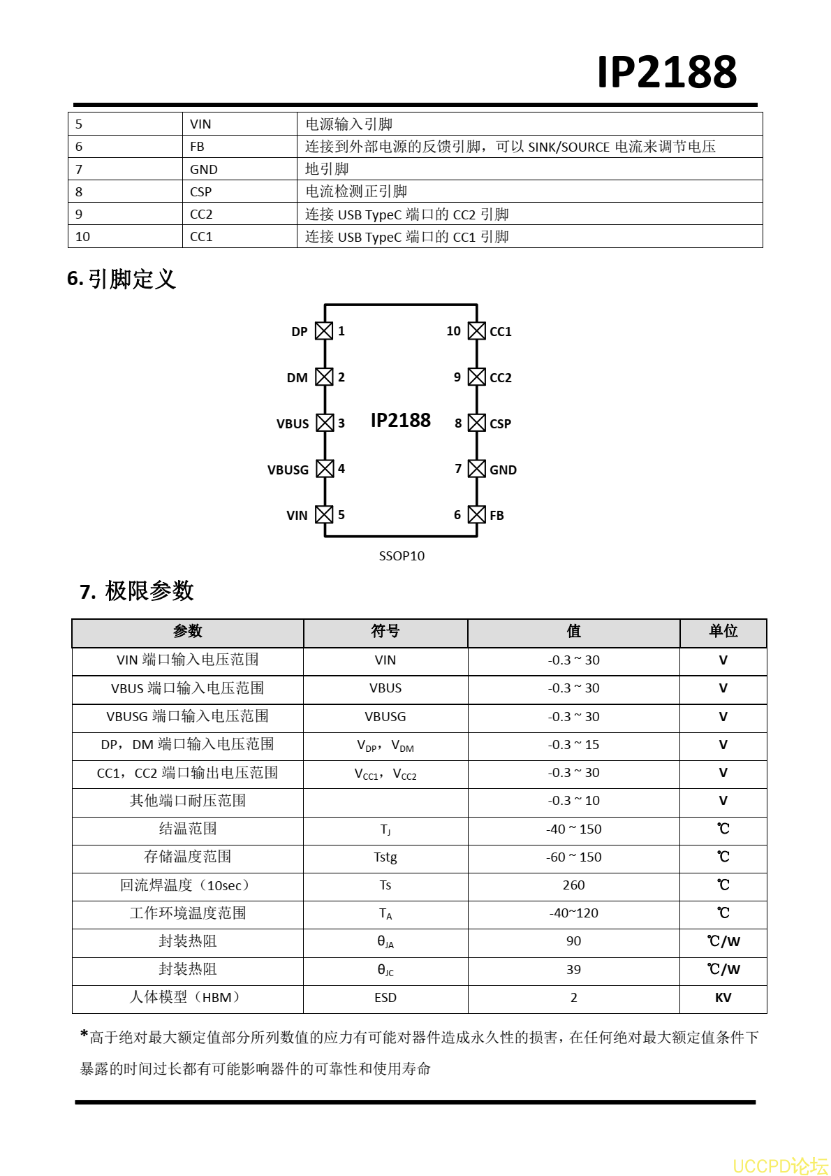
IP2188
支持自动检测设备类型和充电协议切换,自动响应快充协议请求。
代理商:深圳市夸克微科技
郑先生 :13528458039
QQ 2867714804
发表评论