24V转3.3V芯片,同步降压DC-DC转换器5A输出电流
24V转3.3V芯片,同步降压DC-DC转换器5A输出电流
24V转3.3V芯片,同步降压DC-DC转换器5A输出电流

24V转3.3V芯片,同步降压DC-DC转换器5A输出电流

  • 价格 面议
详情

24V转3.3V芯片,24V转3.3V芯片,24V转3.3V芯片,24V转3.3V芯片,24V转3.3V芯片,24V转3.3V芯片

PW2205
开发了一种高效率的同步降压 DC-DC转换器 5A输出电流。 PW22054.5V30V的宽输入电压范围内工作集成主开关和同步开关,具有非常低的 RDSON)以最小化传导损失。PW2205采用瞬时脉宽调制(PWM)结构,实现高阶跃降的快速瞬态响应轻载时的应用和高效率。此外,它的工作频率是伪恒定的在连续导通模式下为500kHz,以使电感器和电容器的尺寸最小

特征

l  内部整流 MOS的低 RDSon)(顶部 /底部): 70/40 mΩ

4.5V-30V输入电压范围

l  瞬时 PWM架构实现快速瞬态响应

l  外部软启动限制涌入电流

l  恒频: 500kHz at重载

5A连续, 6A峰值负载电流能力

1.5%0.6V参考电压

l  输出过电流限制

l  输出短路保护当前折回

l  热关机和自动恢复

l  符合 RoHS标准且无卤素

l  包装: SOP8-EP

应用


l  液晶电视

l  大功率 AP路由器

l  网络

l  机顶盒

l  笔记本

l  保管部
代理商:深圳市夸克微科技 郑先生 :13528458039 QQ 2867714804

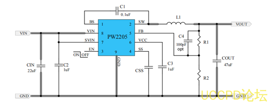
典型应用电路


                                       Tss(ms)=Css(nF)*0.6(V)/10(uA)
                      Vout=0.6*(1+R1/R2),如:R1=100K,   R2=22.1K,VOUT=3



发表评论
评论通过审核后显示。