代理PW5303芯片,原装现货,技术支援
代理PW5303芯片,原装现货,技术支援
代理PW5303芯片,原装现货,技术支援

代理PW5303芯片,原装现货,技术支援

  • 价格 面议
  • 品牌 平芯微 PW5303
详情

一般说明
PW5303是一种电流模式升压DC-DC转换器,采用PWM/PSM控制。其内置30mΩ高压侧开关和30mΩ低压侧开关的PWM电路使该调节器具有很高的功率效率。

内部补偿网络还将外部元件计数降至6。 一个内部 0.6V 电压连接到误差放大器的非反相输入作为精密参考电压。内置软启动功能,降低励磁涌流。

特征

  •  带PWM/PSM控制的电流模式
  •   输入电压范围:2.4V~4.5V
  •   可调输出高达5.3V
  •    关断电流: <1uA
  •   振荡器频率:500KHz
  •   参考电压:0.6V+/-2%
  •   停机时断开负载
  •   逐周期电流限制
  •   低RDS(on):高低压侧均为30mΩ
  •   保护:OTP、OCP、SCP
  •   内部补偿
  •   内部软启动:7ms
  •   包装:SOP8-EP




  应用


  •   充电器
  •   手持装置
  •   便携式产品
  •   电力银行
    代理商:深圳市夸克微科技 郑先生 :13528458039 QQ 2867714804


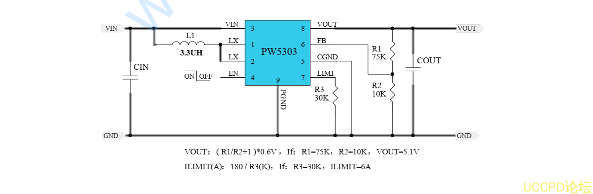
典型应用电路



发表评论
评论通过审核后显示。