12V转5V降压芯片,12V转3.3V稳压芯片电路图
12V转5V降压芯片,12V转3.3V稳压芯片电路图
12V转5V降压芯片,12V转3.3V稳压芯片电路图
12V转5V降压芯片,12V转3.3V稳压芯片电路图
12V转5V降压芯片,12V转3.3V稳压芯片电路图
12V转5V降压芯片,12V转3.3V稳压芯片电路图
12V转5V降压芯片,12V转3.3V稳压芯片电路图
12V转5V降压芯片,12V转3.3V稳压芯片电路图
12V转5V降压芯片,12V转3.3V稳压芯片电路图
12V转5V降压芯片,12V转3.3V稳压芯片电路图

12V转5V降压芯片,12V转3.3V稳压芯片电路图

  • 价格 面议
详情

12V5V应用中,大多要求会输出电流高的,稳压 LDO就不能满足了,需要使用 DC-DC降压芯片来持续稳压 5V,输出电流 1000MA2000MA3000MA5000MA等。不同的输出电流可以选择适合的降压芯片来使用。

12V3.3V,稳压 3.3V输出,一般用于给 MCU单片机或者其他特殊重要模块供电等,要求也会比较多和不一样。例如 10MA100MA1000MA-5000MA不等。时常小电流的较多,小电流使用 LDO稳压芯片。

1, LDO稳压芯片

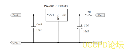
40V高输入电压 LDO线性稳压器 , 高输入电压,低静态电流,高速,低压降线性稳压器具有高纹波抑制 .PW6206PW6513

特点

l  输入电压: 4.75V~40V

l  输出电压固定: 3V3.3V5V

l  输出精度: <±2%

l  输出电流: 150mA(典型值)

l  电源抑制比: 60dB@100Hz

l  跌落电压: 600mV@IOUT=100mA

l  静态电流: 4.2μA@VIN=12V(典型值)

l  ESD HBM:8KV

l  推荐电容器: 10uF


2 DC-DC降压芯片 2A-3A

PW2162 是一个完全集成,高效率 2A同步整流降压转换器。 PW2162在宽输出电流负载范围内以高效率运行。此设备提供两种工作模式, PWM控制和 PFM模式开关控制,实现高效率在更宽的负载范围内。 PW2162要求现有的最小数量标准外部组件,并在符合 ROHS标准的 6SOT23封装中提供。

特征

   效率高达 96%

   600KHz 频率操作

   2A 输出电流

   不需要肖特基二极管

   4.5V 16V输入电压范围

   0.6V 参考电压

   斜坡补偿电流模式控制对于良好的线路和负载瞬态回应

PW2163 是一种高效的 500kHz同步降压 DC-DC转换器,能够输送 3A电流。 PW21634.5V18V的宽输入电压范围内工作集成主开关和同步开关,具有非常低的 RDSON)以最小化传导损失。输出电压纹波低,外部电感器和电容器的尺寸为 500kHz开关频率。采用瞬时 PWM结构,实现快速瞬态响应对于高降压应用 .

特征

内部交换机(顶部 /底部)的低 RDSon):

80mΩ/40mΩ

4.5-18V 输入电压范围

3A 输出电流能力

500 kHz 开关频率

瞬时 PWM架构,实现快速瞬态响应。

逐周期峰值电流限制

内部软启动限制涌入电流

SOT23-6
代理商:深圳市夸克微科技 郑先生 :13528458039 QQ 2867714804


4V-30V输入, 1.2A输出的同步整流降压器芯片 PW2312.

PW2312是一种电流模式降压型 DC/DC转换器,可提供优良的瞬态特性响应没有额外的外部补偿组件。此设备包含内部低电阻,高压功率 MOSFET,并在高 1.4MHz工作频率下工作确保紧凑、高效的设计,具有出色的交直流性能。




PW2205 开发了一种高效率的同步降压 DC-DC转换器 5A输出电流。 PW22054.5V30V的宽输入电压范围内工作集成主开关和同步开关,具有非常低的 RDSON)以最小化传导损失。 PW2205采用瞬时脉宽调制( PWM)结构,实现高阶跃降的快速瞬态响应轻载时的应用和高效率。此外,它的工作频率是伪恒定的在连续导通模式下为 500kHz,以使电感器和电容器的尺寸最小。

特征

    内部整流 MOS的低 RDSon)(顶部 /底部): 70/40 mΩ

    4.5V-30V 输入电压范围

    瞬时 PWM架构实现快速瞬态响应

    外部软启动限制涌入电流

    恒频: 500kHz at重载

    5A 连续, 6A峰值负载电流能力






发表评论
评论通过审核后显示。