30V轉5V, 30V轉3.3V, 30V轉3V芯片,DC-DC降壓和LDO集閤
- 2020-10-14 10:33:00
- 誇剋微 原創
- 3974
30V轉 15V降壓芯片 , 30V轉 12V降壓芯片, 30V轉 9V降壓芯片, 30V轉 8V降壓芯片 , 30V轉 6V降壓芯片 ,30V轉 5V降壓芯片, 30V轉 3.3V降壓芯片, 30V轉 3V降壓芯片, 30V轉 1.8V
註意,不管是 DC-DC還是 LDO芯片,開關導通輸入時,直接 30V輸入時,在通電和接上電時, 會産生輸入尖峰高幾倍左右電壓, 這不關有沒有芯片問題,是電源固定的特性。所以輸入需要用電解電容或者 TVS管或者輸入正極串聯電阻一般這三種方案來吸收尖峰電壓,保護芯片不被過輸入的尖峰高電壓擊傷損壞。
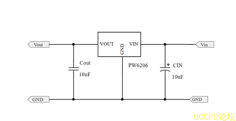
在 30V輸入中,比較閤適的 LDO可以選擇:
PW6206,輸齣電壓 3V,3.3V,5V,輸入電壓最高 40V,功耗也低 4uA;
PW8600,輸齣電壓
3V,3.3V,5V,輸入電壓最高
80V,功耗也低
2uA; 代理商:
深圳市誇剋微科技
鄭先生 :13528458039
QQ 2867714804
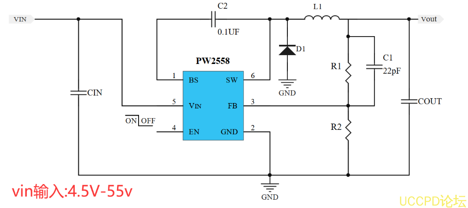
在 30V輸入中,比較閤適的 DC-DC可以選擇: 0.8A的 PW2558, 2A的 PW2902和 3A的 PW2153以及以上都最閤適的。
PW2558是一顆 DC-DC降壓轉換器芯片,輸入電壓範圍 4.5V-55V,最大負載電流 0.8A,可調輸齣電壓,頻率 1.2MHZ高頻率,可採用貼片電感,節省空間,採用 SOT23-6封裝形式。
PW2902是一顆 DC-DC降壓轉換器芯片,輸入電壓範圍 8V-90V,可負載 2A,可調輸齣電壓,頻率 140kHZ。適用於輸齣 12V2A或者 5V2A,可調輸齣電壓 5V-30V之間。
PW2153適用於輸齣 12V10A或者 5V3A,可調輸齣電壓 5V-30V之間。






