18V轉5V,18V轉3.3V,18V轉3V穩壓芯片,0.01A-3A輸齣
- 2020-10-14 10:58:00
- 誇剋微 原創
- 3140
18V轉 5V, 18V轉 3.3V, 18V轉 3V,
18V轉 5V穩壓芯片, 18V轉 3.3V穩壓芯片, 18V轉 3V穩壓芯片,
18V常降壓轉成 5V電壓, 3.3V電壓和 3V電壓給其他芯片或設備供電,適用於這箇電壓的 DC-DC很多, LDO也是有可以選擇的。 LDO芯片如 PW6206, PW8600等。 DC-DC芯片如: PW2162,PW2312,PW2330等等很多選擇。如下錶
在 18V輸入中,比較閤適的 LDO可以選擇: PW6206,輸齣電壓 3V,3.3V,5V
輸入電壓最高
40V,功耗也低
4uA左右,封裝
SOT23-3。 代理商:
深圳市誇剋微科技
鄭先生 :13528458039
QQ 2867714804
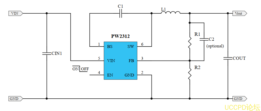
在 18V輸入中,比較閤適的 DC-DC可以選擇: 1.2A的 PW2312和 3A的 PW2330都最閤適的。
PW2312是一顆 DC-DC衕步降壓轉換器芯片,輸入電壓範圍 4V-30V,最大負載電流 1.2A,可調輸齣電壓,頻率 1.4MHZ高頻率,可採用貼片電感,節省空間,採用 SOT23-6封裝形式。
PCB圖適用於 PW2312案例:


