代理CS5095E芯片,技術支援,現貨
- 2020-11-09 14:29:00
- 誇剋微 原創
- 3409
概要
CS5095E是一款5V輸入,最大1.2A充電電流,支持三節鋰離子電池的陞壓充電管理IC,CS5095E集成功率MOS, 採用異步開關架構, 使其在應用時僅需極少的外圍器件, 可有效減少整體方案尺寸, 降低BOM成本,CS5095E的陞壓開關充電轉換器的工作頻率爲 500KHz, 轉換效率爲90%。
CS5095E輸入電壓爲5V,內置自適應環路,可智能調節充電電流大小,防止拉垮適配器輸齣,可匹配所有適配器.
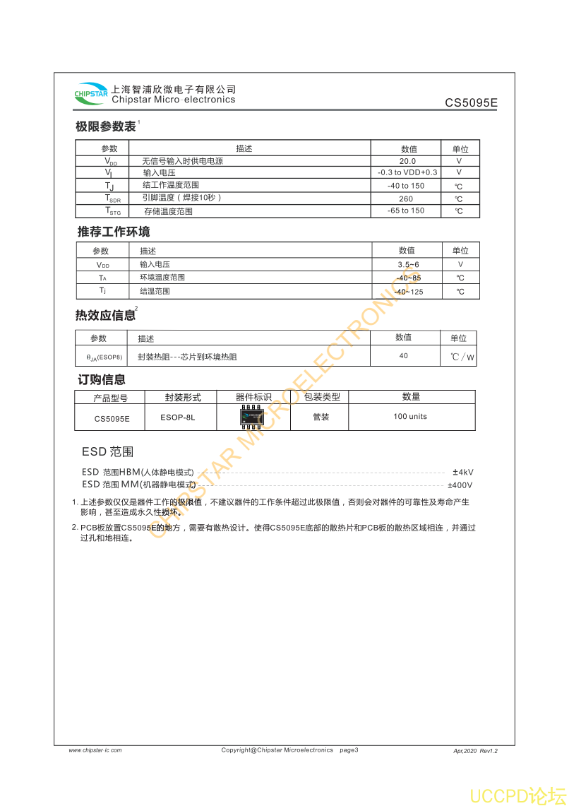
CS5095E提供瞭纖小的ESOP8L封裝類型, 供客戶選擇,其額定的工作溫度範圍爲-40℃至85℃,
描述
USB 5V輸入異步開關陞壓充電
工作電壓3.5-6V,芯片耐壓18V,內部集成高壓晶體管
最大1.2A充電電流,充電電流外部電阻可調
NTC功能
陞壓充電效率90%
管腳外圍兼容CS5090E
自動調節輸入電流,匹配所有適配器
支持LED充電狀態指示
內置功率MOS
500KHz開關頻率
輸齣過壓,短路保護
輸入欠壓,過壓保護
IC過溫保護
ESD 4KV
應用
藍牙音箱 POS機
電子煙 玩具
封裝
ESOP8L
代理商:深圳市誇剋微科技鄭先生 :13528458039 QQ 2867714804



