3A,4.5V-30V輸入,衕步降壓調節器PW2330
- 2020-11-30 17:02:00
- 誇剋微 原創
- 3198
一般説明
PW2330開髮瞭一種高效率的衕步降壓 DC-DC變換器 3A輸齣電流。 PW2330在 4.5V到 30V的寬輸入電壓範圍內工作集成主開關和衕步開關,具有非常低的 RDS( ON)以最小化傳導
損失。 PW2330採用專有的瞬時 PWM結構,實現快速瞬態響應適用於高降壓應用和輕負載下的高效率。此外,牠在在連續傳導模式下的 500kHz僞恆定頻率,以最小化電感器和電容器。
特徵
內部整流 MOS的低 RDS( on)(頂部 /底部): 90/60 mΩ
4.5-30V輸入電壓範圍
瞬時 PWM架構實現快速
瞬態響應
外部軟啟動限製湧入電流
恆頻: 500kHz
3A連續負載電流能力
輸齣過電流限製
輸齣短路保護當前摺迴
熱關機和自動恢複
符閤 RoHS標準且無鹵素
緊湊型包裝: SOP8-EP
應用
液晶顯示器
液晶電視
機頂盒
北美
大功率 AP路由器
液晶顯示器
DVR/NVR
筆記本
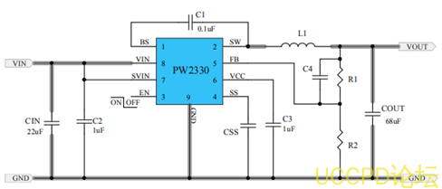
典型應用電路
數量
名稱
功能
1
BS
供應高壓側閘門驅動器。將此引腳與帶
0.1uF
陶瓷蓋的
SW
銷。
2
SW
感應器引腳。將此引腳連接到電感器的開關節點。
3
EN
啟用控製。
4
SS
軟啟動編程引腳。將電容器從這箇插腳連接到接地編程軟啟動時間。
Tss(ms)=Css(nF)*0.6(V)/10(uA)
5
FB
輸齣反饋引腳。將此銷連接到輸齣電阻分壓器,用於編程輸齣電壓:
Vout=0.6*(1+R1/R2)
6
VCC
內部
3.3V LDO
輸齣。內部模擬電路電源以及驅動電路。在該引腳和接地。
7
SVIN
模擬電源輸入。將
1uF
電容器旁路接地。
8
SVIN
電源輸入。至少用
10uF
將該引腳與
GND
引腳斷開陶瓷蓋
9(EP)
GND
接地引腳。
DC-DC
降壓産品
輸入電壓
輸齣電壓
輸齣電流
頻率
封裝
PW2058
2.0V
~
6.0V
1V
~
5V
0.8A
1.5MHz
SOT23-5
PW2051
2.5V
~
5.5V
1V
~
5V
1.5A
1.5MHz
SOT23-5
PW2052
2.5V
~
5.5V
1V
~
5V
2.0A
1.0 MHz
SOT23-5
PW2053
2.5V
~
5.5V
1V
~
5V
3.0A
1.0 MHz
SOT23-5
PW2162
4.5V
~
16V
1V
~
15V
2A
600KHZ
SOT23-6
PW2163
4.5V
~
16V
1V
~
15V
3A
600KHZ
SOT23-6
PW2205
4.5V
~
30V
1V
~
25V
5A
500KHZ
SOP8-EP
PW2312
4.0V
~
30V
1V
~
28V
1.2A
1.4 MHz
SOT23-6
PW2330
4.5V
~
30V
1V
~
28V
3A
500KHz
SOP8-EP
PW2431
4.5V
~
40V
1V
~
30V
3A
340KHz
SOP8-EP
PW2558
4.5V
~
55V
1.25V
~
30V
0.8A
1.2 MHz
SOT23-6
PW2608
5.5V
~
60V
1.5-30V
0.8A
0.3-1Mhz
SOP8-EP
PW2815
4.5V
~
80V
1.5V
~
30V
1.5A
400KHZ
SOP8-EP
PW2906
12V
~
90V
1.25V
~
20V
0.6A
150KHZ
SOP8-EP
PW2902
8V
~
90V
5V
~
30V
2A
140KHZ
SOP8-EP
PW2153
8V
~
140V
5V
~
30V
4A
140KHZ
SOP8
LDO
産品
輸入電壓
輸齣電壓
輸齣電流
靜態功耗
封裝
PW6566
1.8V
~
5.5V
1.2V1.5V,1.8V,2.0V,2.5,
.2.8V,3.0V,3.3V,5V
250mA
2uA
SOT23-3
PW6218
4V
~
18V
3V,3.3V,5V
100MA
3uA
Sot23-3
PW6206
4.5V
~
40V
3V,3.3V,5V
150MA
4.2uA
Sot23/89
PW8600
4.5V
~
80V
3V,3.3V,5V
150MA
2 uA
Sot23-3
佈局設計:
PW2330調節器的佈置設計爲相對簡單。爲瞭穫得最佳的效率和最小噪聲問題,我們應該把 IC的以下組件: CIN, C3 L1、 R1和 R2。
1. 最好將 PCB銅最大化連接到 GND引腳以實現最佳的熱性能和噪音性能。如果闆空間允許,地平麵非常令人滿意。
2. CIN必鬚接近 VIN和 GND引腳。這箇 CIN和 GND形成的環路麵積必鬚最小化。
3. 與 SW相關的 PCB銅闆麵積引腳必鬚最小化,以避免潛在噪音問題。
4. 成分 R1和 R2,以及軌跡連接到 FB引腳不得靠近 PCB佈局上的 SW網絡爲瞭避免噪音問題。
5. 如果繫統芯片與 EN接口引腳在關機模式, IN引腳爲直接連接到電源作爲鋰離子電池,最好添加下拉 EN之間的 1歐姆電阻器和 GND引腳,以防止噪音錯誤地打開調節器關機模式
電氣特性
(VIN = 12V, VOUT = 5V, COUT = 47uF, TA = 25°C, IOUT = 1A 除非另有説明.)
|
蔘數 |
符號 |
測試調節 |
最小 |
典型 |
最大 |
單位 |
|
輸入電壓範圍 |
V IN |
|
4.5 |
|
30 |
V |
|
反饋蔘考電壓 |
V REF |
|
0.591 |
0.6 |
0.609 |
V |
|
FB 輸入電流 |
I FB |
V FB =V cc |
-50 |
|
50 |
nA |
|
EN 下降閾值 |
V ENL |
|
1.1 |
1.2 |
1.3 |
V |
|
EN 閾值滯後 |
V EN .HYS |
|
|
0.1 |
|
V |
|
輸入 UVLO 閾值 |
V UVLO |
|
|
|
4 |
v |
|
UVLO 滯後 |
V HYS |
|
|
0.2 |
|
V |
|
頂部 FET 內阻 |
R DS(ON )1 |
|
|
90 |
|
m Ω |
|
底部 FET 內阻 |
R DS(ON)2 |
|
|
60 |
|
m Ω |
|
底部 FET 電流限製 |
I LIM |
|
4 |
|
|
A |
|
靜態電流 |
I Q |
I OUT =0 , V FB =V REF *105% |
|
200 |
|










