5V 輸入,三節串聯鋰電池便捷充電器PW4053
- 2020-12-01 10:56:00
- 誇剋微 原創
- 2942
PW4053 是一款 5V 輸入,最大 1.2A 充電電流,支持三節鋰離子電池的陞壓充電管理 IC。
PW4053 集成功率 MOS,採用異步開關架構,使其在應用時僅需極少的外圍器件,可有效減少整體方案尺寸,降低 BOM 成本。 PW4053 的陞壓開關充電轉換器的工作頻率爲 500KHz,轉換效率爲90%。
PW4053 輸入電壓爲 5V,內置自適應環路,可智能調節充電電流大小,防止拉垮適配器輸齣,可匹配所有適配器。
PW4053 提供 SOP8-EP 封裝形式, 工作溫度額定範圍爲-40℃至 85℃。
産品特點
⚫ USB 5V 輸入異步開關陞壓充電
⚫ 工作電壓 3.5~ 6V,芯片耐壓 18V,內部集成高壓晶體管
⚫ 最大 1.2A 充電電流,外部電阻可調
⚫ NTC 功能
⚫ 陞壓充電效率 90%
⚫ 自動調節輸入電流,匹配所有適配器
⚫ 支持 LED 充電狀態指示
⚫ 內置功率 MOS
⚫ 500KH 開關頻率
⚫ 輸齣過壓,短路保護
⚫ 輸入欠壓,過壓保護
⚫ IC 過溫保護
⚫ ESD 4KV
代理商:深圳市誇剋微科技 鄭先生 :13528458039 QQ 2867714804
應用範圍⚫ 鋰電電池包
⚫ 對講機
⚫ 玩具
⚫ 藍牙音箱
⚫ POS 機
⚫ 電子煙
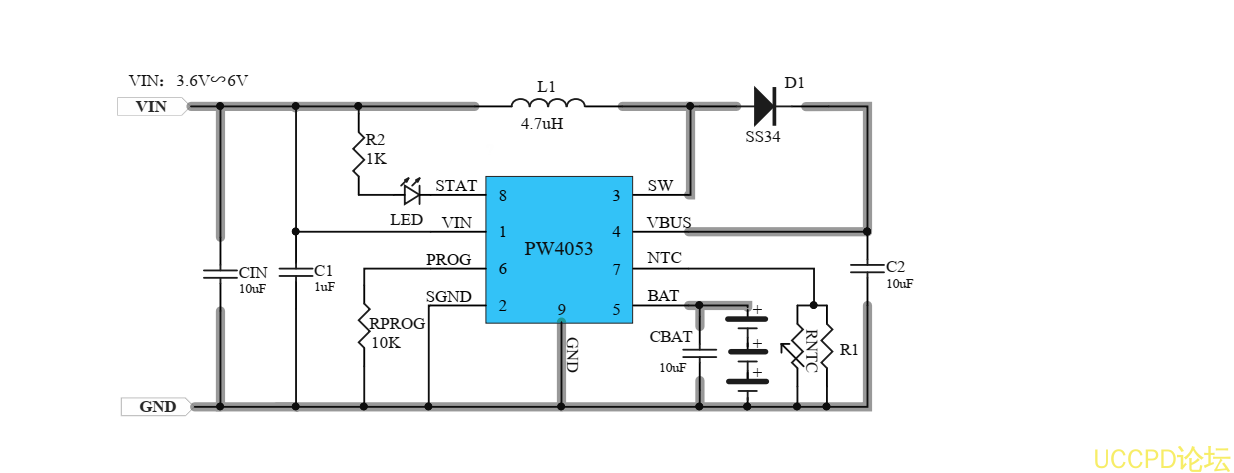
典型應用電路
引腳配置
/
説明
發錶評論

