5V充8.4V,5V陞壓8.4V給電池充電的芯片電路
- 2020-12-11 11:16:00
- 誇剋微 原創
- 3228
5V充
8.4V的鋰電池,需要把
USB口的
5V輸入,陞壓轉換成
8.4V來給兩串電池充電。
5V陞壓 8.4V給鋰電池充電的專門充電 IC
集成瞭 5V陞壓 8.4V電路和充電管理電路的 PL7501C
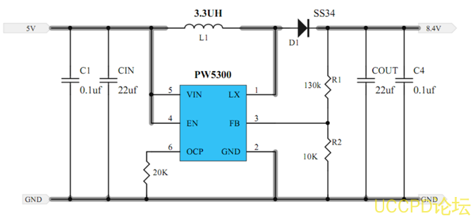
如果不需要充電管理電路的話,隻是陞壓 IC,就是這箇六腳瞭
PW5300,就可以輸入
5V陞壓
8.4V1A的陞壓輸齣電路
代理商:深圳市誇剋微科技
鄭先生 :13528458039
QQ 2867714804
在産品設計和芯片應用中,鋰電池的電路,離不開三大基本電路,來控製鋰電池的充電,放電。




