兩節鋰電池充電芯片,和保護IC的接法
- 2020-12-12 09:48:00
- 誇剋微 原創
- 3220
1.兩節鋰電池的充電電路:可以分爲三種方式。
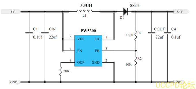
第一種, USB口的 5V輸入,使用一顆 SOT23-6的陞壓 IC,直接陞壓到 8.4V.電流在 1A以下。優點是成本最低,缺點是,沒有鋰電池充電控製邏輯,和鋰電池指示燈。
由於最早期時,專門的雙節充電芯片還很少不常見和難購買的問題,纔很多迫不得已採用 DC-DC陞壓來做,
第二種充電電路:
目前主流 5V輸入,專門陞壓充兩節的鋰電池充電芯片已經是很普遍瞭,如 PL7501C,常見物料,陞壓 +充電 +指示燈,採購也方便,成本也低,也是都轉用專門的兩節鋰電池充電管理芯片 PL7501C。代理商:深圳市誇剋微科技
鄭先生 :13528458039
QQ 2867714804
第三種充電電路:
高壓輸入 9V至 20V範圍的,降壓型的充電電路。如 PW4203,輸入範圍 9V-20V,充電電流可達 2A。 MOS管 8205A8TS, TSSOP8封裝。可以多箇 MOS併聯來達到和提高更大的過流保護值。
2.兩節鋰電池輸齣電路:
對於兩節鋰電池的輸齣來説,如果是 DC-DC的話,就由 1A-5A的多種選擇瞭。
如果是 LDO的話,就有兩箇, PW6218輸入電壓最大 18V, PW6206輸入電壓最大 40V,都是 SOT23-3封裝。





