供應PW6206A33HV,40V高輸入電壓LDO線性穩壓器
- 2020-12-30 17:53:00
- 誇剋微 原創
- 2921
一般説明
PW6206繫列是一款高精度,高輸入電壓,低靜態電流,高速,低壓降線性穩壓器具有高紋波抑製。在VOUT=5V&VIN=7V時,輸入電壓高達40V,負載電流高達300mA,採用BCD工藝製造。PW6206提供過電流限製、軟啟動和過熱保護,以確保設備在良好的條件下工作
PW6206調節器有標準SOT89-3L和SOT23-3L封裝。標準産品無鉛無鹵。
特點
- 輸入電壓:4.75V~40V
- 輸齣電壓:1.8V~5.7V
- 輸齣精度:<±2%
- 輸齣電流:150mA(典型值)
- 最高300mA@VIN=7V,VOUT=5V,PW6206B50HV封裝
- 電源抑製比:60dB@100Hz
- 跌落電壓:600mV@IOUT=100mA
- 靜態電流:4.2μA@VIN=12V(典型值)
- ESD HBM:8KV
-
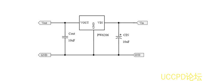
推薦電容器:
10uF
應用
- 智能電錶
- 車內娛樂
-
電動自行車
代理商:深圳市誇剋微科技 鄭先生 :13528458039 QQ 2867714804
典型應用電路
發錶評論


