代理PW4054芯片,性能優異的單節鋰離子電池恆流,現貨,技術支援
- 2021-01-25 10:25:00
- 誇剋微 原創
- 2715
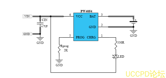
PW4054是一款性能優異的單節鋰離子電池恆流/恆壓線性充電器。PW4054 適閤給 USB 電源以及適配器電源供電。基於特殊的內部 MOSFET 架構以及防倒充電路, PW4054 不需要外接檢測電阻和隔離二極管。當外部環境溫度過高或者在大功率應用時,熱反饋可以調節充電電流以降低芯片溫度。充電電壓固定在 4.2V,而充電電流則可以通過一箇電阻器進行外部設置。當充電電流在達到最終浮充電壓之後降至設定值的 1/10,芯片將終止充電循環。當輸入電壓斷開時, PW4054 進入睡眠狀態,電池漏電流將降到 1uA 以下。 PW4054 還可以被設置於停機模式,此時芯片靜態電流降至 25uA。PW4054 還包括其他特性:欠壓鎖定,自動再充電和充電狀態標誌。
PW4054 採用 SOT23-5L 封裝配閤較少的外圍原件使其非常適用於便攜式産品.
産品特點
可編程充電電流 500mA
無需外接 MOSFET,檢測電阻以及隔離二極管
恆定電流/恆定電壓操作,併具有可在無過熱危險的情況下實現充電速率最大化的熱調節功能。
精度達到±1%的 4.2V 預充電電壓
用於電池電量檢測的充電電流監控器輸齣
自動再充電
充電狀態輸齣顯示
C/10 充電終止
待機模式下的靜態電流爲 25uA
2.9V 涓流充電
軟啟動限製浪湧電流
人體模型 ESD:4KV
機器模型 ESD:400V
Latch-up 級彆:400MA
應用範圍
移動電話、 PDA
MP3、 MP4 播放器
充電器
數碼相機
電子詞典
藍牙、 GPS 導航儀
便攜式設備
代理商:深圳市誇剋微科技 鄭先生 :13528458039 QQ 2867714804
發錶評論
