2A鋰電池充電管理芯片
- 2021-02-23 14:04:00
- 誇剋微 原創
- 2832
PW4052 是一顆適用於單節鋰電池的、具有恆壓/恆流充電模式的充電管理 IC。該芯片採用開關型的工作模式, 能夠爲單節鋰電池提供快速、 高效且簡單的充電管理解決方案。
PW4052 採用三段式充電管理,當電池電壓低於 2.9V(Typ)時,採用涓流模式充電, 充電電流爲滿充電流的 2/10(Typ) ;當電池電壓高於 2.9V(Typ)時,採用全電流充電, 充電電流由外部的 SENSE 電阻設定;當電池接近浮充電壓時, 採用恆壓充電,充電電流逐漸減小; 當充電電流減小至 2/10(Typ)電流時, 充電完成;如果電池電壓降低至再充電電壓 4.05V(Typ)時, PW4052 會再次重啟充電; 當去掉輸入電源時,芯片自動進入休眠模式, 電池的漏電電流降至 2uA(Typ) 。
PW4052 內置防倒灌功能,不需要額外的外部二極管; PW4052 還設計有欠壓保護、芯片過溫保護等保護功能; 該芯片提供 SOP8-EP 封裝。
特點
⚫
輸入電壓範圍:
4.7V~5.5V
;
⚫
恆壓
/
恆流模式充電;
⚫
1MHz
(
Typ
) 固定開關頻率;
⚫
充電效率高達
90%
以上
⚫
內置防倒灌功能, 不需要外部二極管;
⚫
充電電壓
4.2V±1%
⚫
充電電流外部可設置;
⚫
涓流充電;
⚫
自動再充電;
⚫
休眠模式;
⚫
雙燈顯示充電狀態
⚫
欠壓保護
⚫
過溫保護
應用
⚫
備用電源;
⚫
便攜式設備;
⚫
鋰電池充電器;
⚫
手持設備
代理商:深圳市誇剋微科技 鄭先生 :13528458039 QQ 2867714804
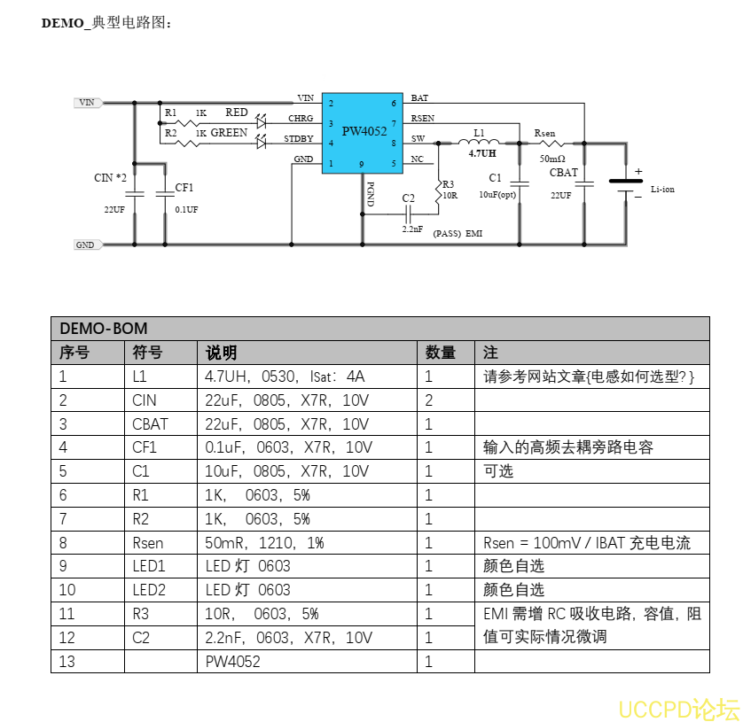
典型應用電路


