代理PW5303芯片,原裝現貨,技術支援
- 2021-03-05 16:19:00
- 誇剋微 原創
- 2946
一般説明
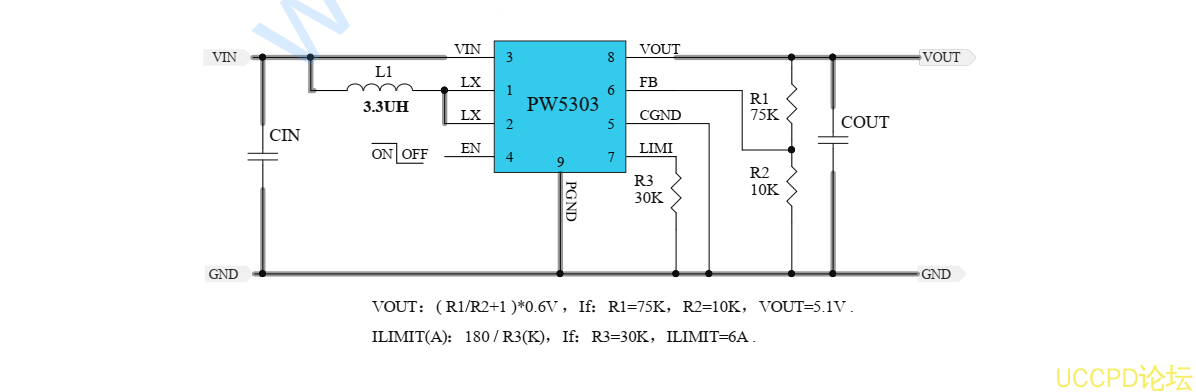
PW5303是一種電流模式陞壓DC-DC轉換器,採用PWM/PSM控製。其內置30mΩ高壓側開關和30mΩ低壓側開關的PWM電路使該調節器具有很高的功率效率。
內部補償網絡還將外部元件計數降至6。 一箇內部 0.6V 電壓連接到誤差放大器的非反相輸入作爲精密蔘考電壓。內置軟啟動功能,降低勵磁湧流。
特徵
- 帶PWM/PSM控製的電流模式
- 輸入電壓範圍:2.4V~4.5V
- 可調輸齣高達5.3V
- 關斷電流: <1uA
- 振蕩器頻率:500KHz
- 蔘考電壓:0.6V+/-2%
- 停機時斷開負載
- 逐週期電流限製
- 低RDS(on):高低壓側均爲30mΩ
- 保護:OTP、OCP、SCP
- 內部補償
- 內部軟啟動:7ms
- 包裝:SOP8-EP
應用
- 充電器
- 手持裝置
- 便攜式産品
- 電力銀行
代理商:深圳市誇剋微科技 鄭先生 :13528458039 QQ 2867714804
發錶評論
