AS11D五腳芯片,AS15D降壓芯片規格書資料
- 2020-09-12 00:05:00
- 誇剋微 原創
- 6713
AS11D,AS15D是一顆衕步整流的DC-DC降壓芯片,具有高效率。一般適用於鋰電池3V-4.2V輸入,或者5V輸入的降壓穩壓電路應用。
AS11D,AS15D
採用SOT23-5封裝。
AS11D,AS15D電路圖:
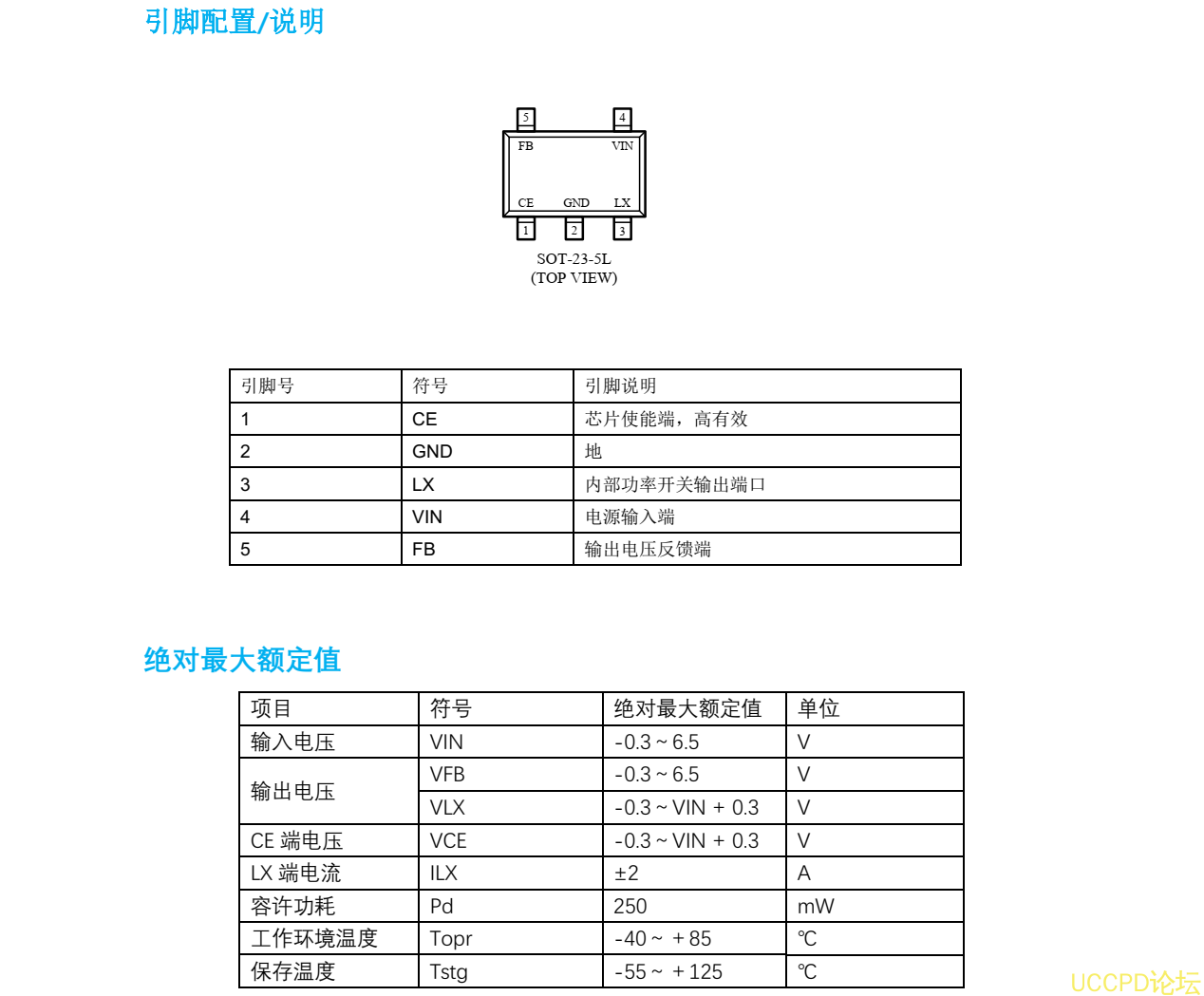
AS11D,AS15D的引腳腳位:
供應商 深圳市誇剋微科技 MR鄭 13528458039 qq:2867714804
PW2051 是一款由基準電壓源、振蕩電路、比較器、
PWM/PFM 控製電路等構成的
CMOS 降壓型
DC/DC 調整器。利用
PWM/PFM 自動切換控製電路達到可調佔空比,具有全輸入電壓範圍內的低紋波、高效率和大輸齣電流等特點。
PW2051 內置功率
MOSFET, 集成瞭過壓、過流、過熱、短路等諸多保護電路,在超過控製值時會自動斷開,以保護芯片。本産品結閤瞭微型封裝和低消耗電流等特點,最適閤在移動設備的電源內部使用。
PW2051最大輸齣電流
1.5A,超高效率
95%

